EasyManua.ls Logo

Belling BRD900DF - BELLING RICHMOND;COOKCENTRE 900 DF- AU WIRING DIAGRAM - RH OVEN PAGE 2;2

Belling BRD900DF
72 pages
Print Icon
To Next Page IconTo Next Page
To Next Page IconTo Next Page
To Previous Page IconTo Previous Page
To Previous Page IconTo Previous Page
Loading...
USING YOUR APPLIANCE
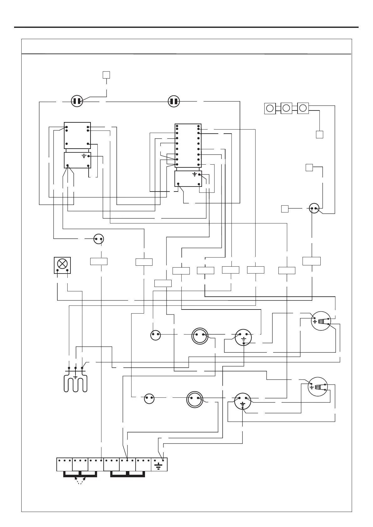
Wiring colour code: Bk-Black, Bn-Brown, Bu-Blue, Gn-Green, Or-Orange, R-Red, W-White, Y-Yellow, V-Violet
WIRING DIAGRAM - RH OVEN PAGE 2/2
Connector
RH-Pin 3
Connector
RH-Pin 6
RH FRONT
THERMAL
SWITCH
Y
Connector
RH-Pin 7
RH
COOLING FAN
Bu
Y
RH BOTTOM OVEN
FAN ELEMENT
RH TOP
OVEN
STIR FAN
RH REAR
TOP OVEN
THERMAL
CUTOUT
RH TOP OVEN
FAN ELEMENT
Connector
RH-Pin 4
Connector
RH-Pin 1
LH SPLITTER SWITCH
1
2
3
4
5
6
7
8
P8
P7
P6
P5
P4
P3
P2
P1
1
2
THERMOSTAT
FAN STALL
TOP THERMAL
CUTOUT
W
RH SPLITTER
SWITCH
P1
P2
2
1
1
2
THERMOSTAT
V
Connector
RH-Pin 9
Connector
RH-Pin 8
Connector
RH-Pin 2
W
Connector
RH-Pin 5
Gn
Gn
Gn
Gn
Bn
Bn
Bn
Bn
Bn
W
W
W
Or
Or
Or
Or
Or
Y
Y
Y
Y
RH BOTTOM
OVEN
STIR FAN
RH TOP
OVEN
LIGHT
RH BOTTOM
OVEN LIGHT
RH REAR BOTTOM
OVEN THERMAL
CUTOUT
W
W
W
W
YY
Y
Y
Bk
Bk
Bk
Bk
Bk
RH SPLITTER
GRILL ELEMENT
Bu
Bk
Bk
Bk
Bn
Bn
Bn
Bk
Or
Or
Y
Y
Y
Bn
Bn
Gn
Gn
Gn
Gn
Gn
Gn
Gn
Gn
Gn
Gn
Gn
Gn
Gn
Or
Or
Bk
B
C
TOP SPLITTER
OVEN NEON
BOTTOM
SPLITTER
OVEN NEON
Bk
Bk
Bk
A
Bk
Bk
W
W
Bk
RH ROTARY
SWITCHES
D
Bn
Y
Remove These Two Links for Multi-Phase Installations !
INLET
TERMINAL
BLOCK
L1
L2 L3 4(N)
5(N)
6(N)
V
BELLING RICHMOND/COOKCENTRE 900DF- AU
083753402
29.11.2018

Related product manuals