EasyManua.ls Logo

Belling BRD900DF - BELLING RICHMOND;COOKCENTRE 1100 DF- AU WIRING DIAGRAM- RH OVEN PAGE 2;2

Belling BRD900DF
72 pages
Print Icon
To Next Page IconTo Next Page
To Next Page IconTo Next Page
To Previous Page IconTo Previous Page
To Previous Page IconTo Previous Page
Loading...
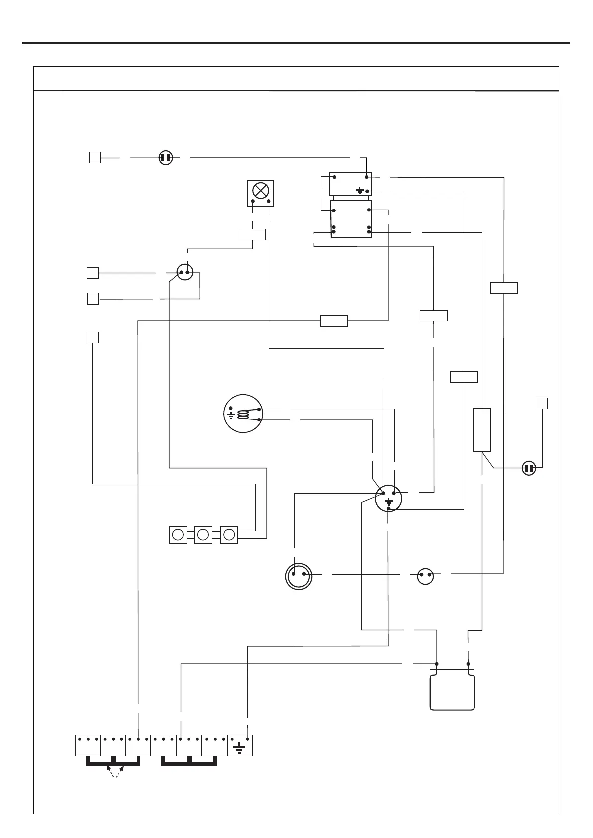
USING YOUR APPLIANCE
RH OVEN FAN
ELEMENT
RH REAR
THERMAL
CUTOUT
RH OVEN
STIR FAN
RIGHT HAND
OVEN
LAMP
Bk
Bn
W
W
Or
Bk
Gn
Bn
Gn
Gn
W
RH STAT.
NEON
RH
COOLING FAN
RH FRONT
THERMAL
SWITCH
Bu
Wiring colour code: Bk-Black, Bn-Brown, Bu-Blue, Gn-Green, Or-Orange, R-Red, W-White, Y-Yellow, V-Violet
1
2
THERMOSTAT
RH OVEN
SWITCH
1
2
P1
P2
Y
Bk
Y
Y
Bk
Bu
Or
A
B
C
Y
Bk
Bk
Connector
RH-Pin 2
Connector
RH-Pin 3
Connector
RH-Pin 1
Connector
RH-Pin 5
Connector
RH-Pin 4
Y
Y
Bu
Bu
Bu
Bu
SLOW
COOK
ELEMENT
Bk
Bn
SLOW COOK
SWITCH
SLOW
COOK
NEON
R
R
D
E
RH ROTARY SWITCHES
Bn
WIRING DIAGRAM- RH OVEN PAGE 2/2
INLET
TERMINAL
BLOCK
L1
L2 L3 4(N)
5(N)
Remove These Two Links for Multi-Phase Installations !
6(N)
BELLING RICHMOND/COOKCENTRE 1100DF- AU
083752802
29.11.2018

Related product manuals