EasyManua.ls Logo

Belling FSDF 60 DO - Wiring Diagram

Belling FSDF 60 DO
74 pages
Print Icon
To Next Page IconTo Next Page
To Next Page IconTo Next Page
To Previous Page IconTo Previous Page
To Previous Page IconTo Previous Page
Loading...
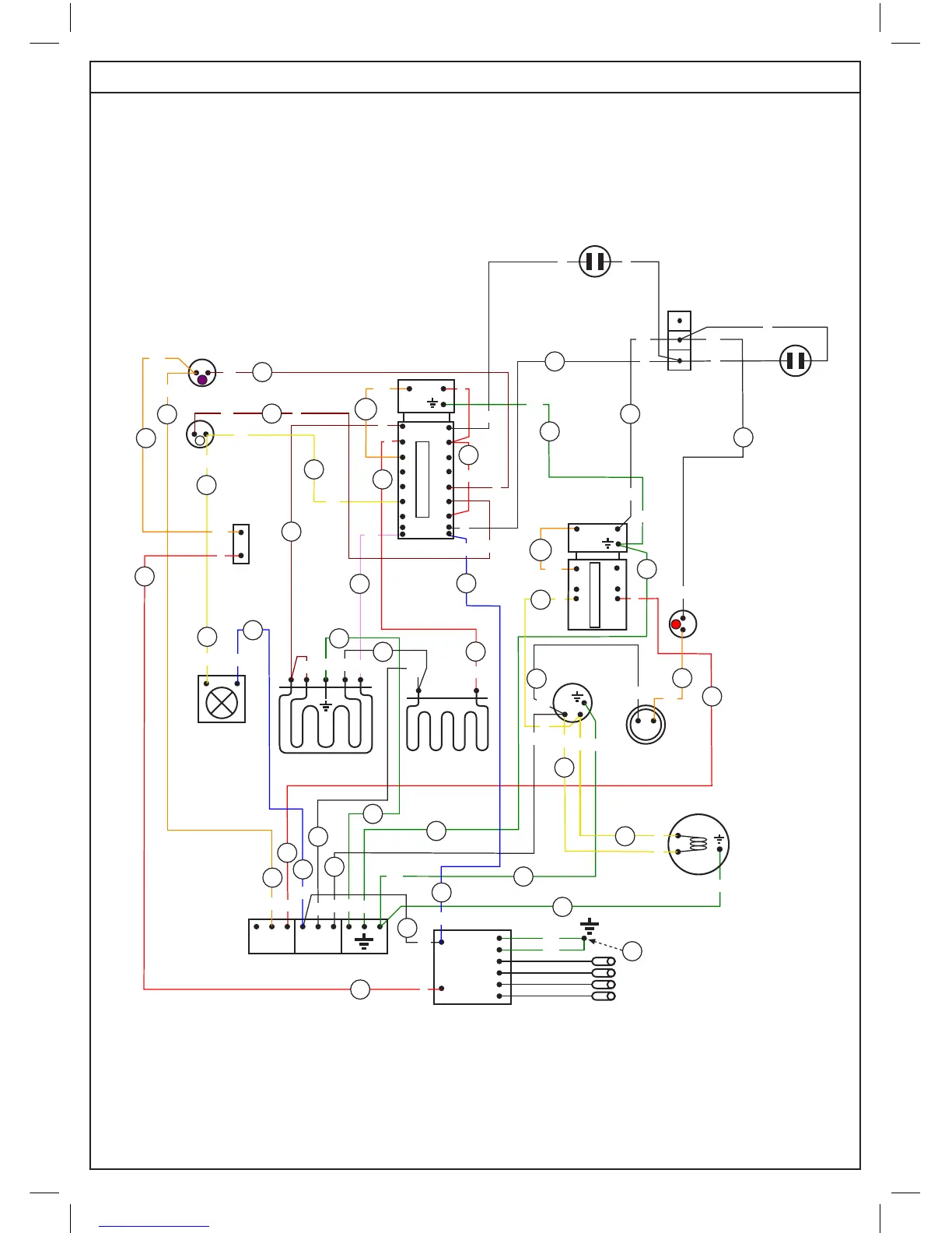
Wiring colour code: Bk - Black, Bn - Brown, Bu - Blue, Gn - Green, Or - Orange, R - Red, W - White, Y - Yellow.
Wiring DiagramBelling FSDF 60 DO - AU ISSUE A
LN
N
L
IGNITION
SWITCH
TOP OVEN
THERMAL
CUTOUT
TOP OVEN
THERMOSTAT
& SWITCH
BASE ELEMENT
GRILL ELEMENT
IGNITION
GENERATOR
HOTPLATE
ELECTODES
TERMINAL BLOCK
FAN OVEN
ELEMENT
MAIN OVEN
THERMOSTAT
& SWITCH
R
THERMAL
SWITCH
COOLING
FAN
R
Bk
Bk
Bk
Bk
Bk
Gn
Gn
Gn
Gn
Gn
MAIN OVEN
STAT. NEON
Or
Y
Or
TOP OVEN
STAT. NEON
OVEN STIR
FAN
MAIN OVEN
THERMAL
CUTOUT
Or
W
Y
Gn
Bu
444
579
414
414
401
401
454
(2 off)
412
412
427
427
421
421
421
407
EARTH POINT EYELET
Gn
Y
Bn
Y
Y
516
431
431
408
530
P2
P1
2
1
2
1
422
Y
444
Or
404
Gn
404
Gn
1
2
3
4
5
6
7
8
P8
P1
P2
P3
P4
P5
P6
P7
1
2
404
437
Or
Or
R
R
Bn
Bn
Bn
Bn
410
416
Bk
Bk
147
R
R
147
V
V
MAIN
OVEN
LAMP
Gn
21
20
Y
Y
Y
Y
501
501
435
Bu
Bu
435
435
Bk
Bk
445
445
Bu
R
438
R
438
42.03000.019
42.02400.008
Bk
TERMINAL BLOCK
Bk
Bk
Bk
Bk
Bn
Bn
444
Or
W
W
W
592
Bk
08 27494 00
01.2010

Table of Contents

Related product manuals