EasyManua.ls Logo

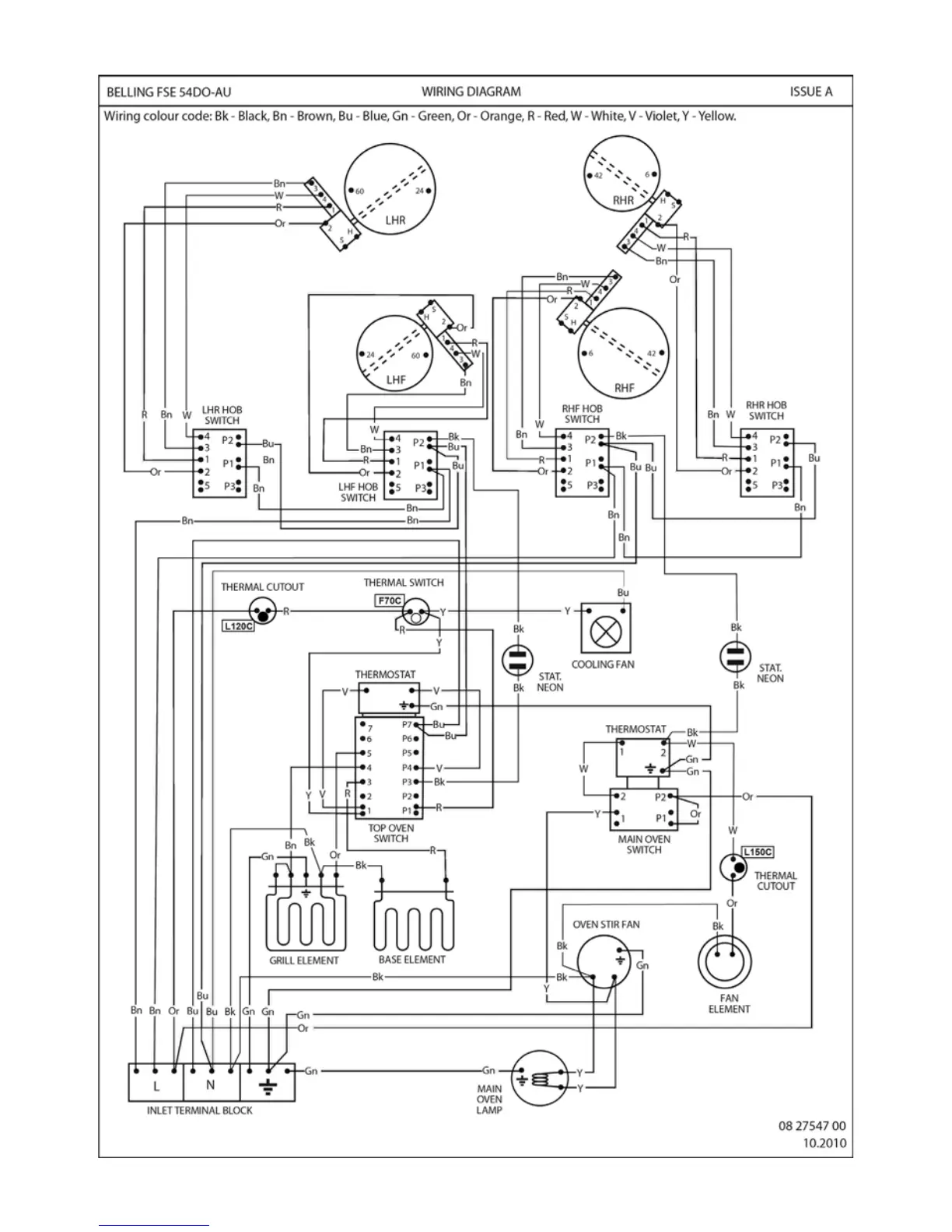
Belling FSE 54 DO - Wiring Diagram

Belling FSE 54 DO
74 pages
Print Icon
To Next Page IconTo Next Page
To Next Page IconTo Next Page
To Previous Page IconTo Previous Page
To Previous Page IconTo Previous Page
Loading...

Other manuals for Belling FSE 54 DO

Related product manuals