EasyManua.ls Logo

Belling Sterling DFT AU - Page 49

Belling Sterling DFT AU
52 pages
Print Icon
To Next Page IconTo Next Page
To Next Page IconTo Next Page
To Previous Page IconTo Previous Page
To Previous Page IconTo Previous Page
Loading...
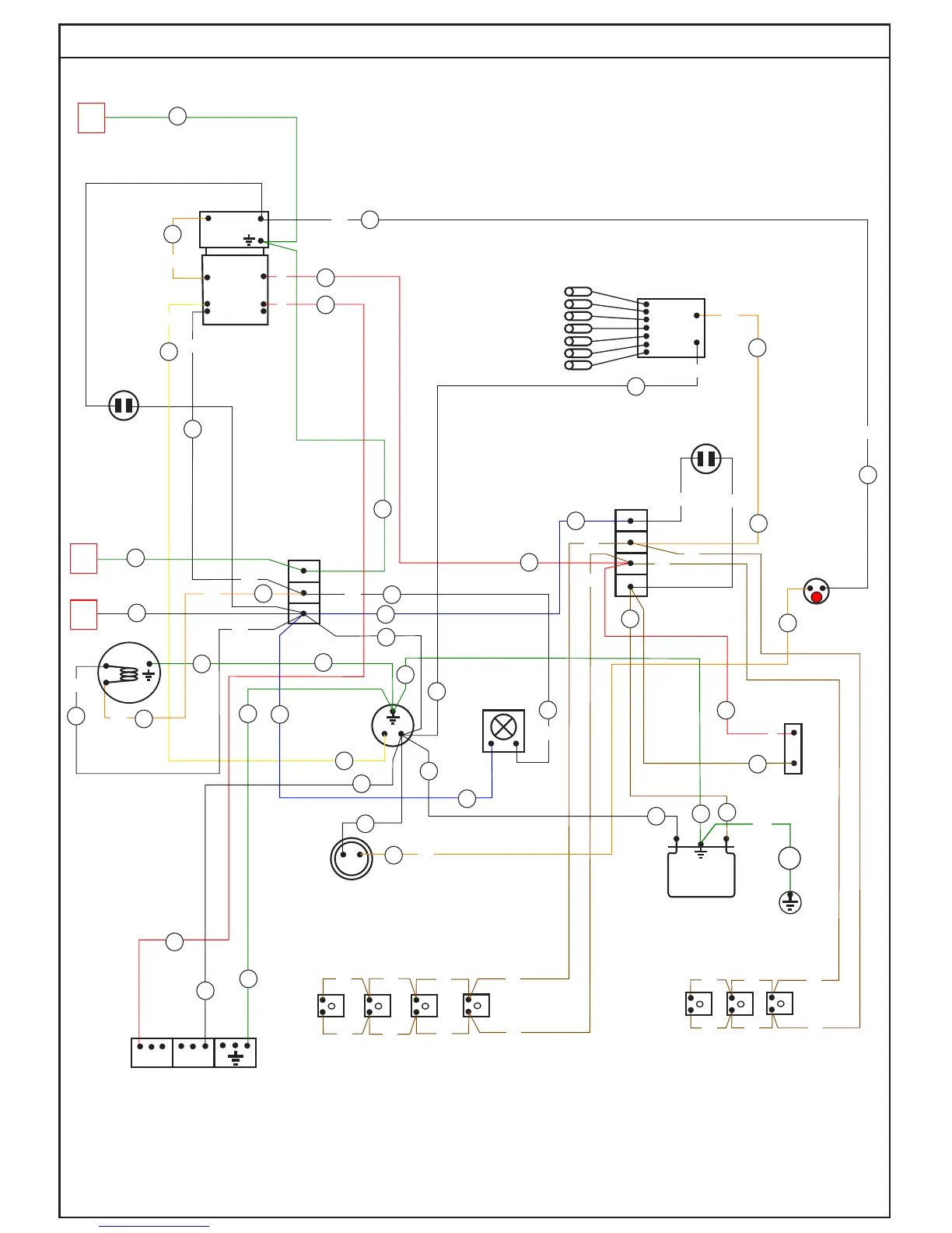
BELLING RICHMOND 1000/1100DFT - AU RH OVEN
Wiring colour code: Bk-Black, Bn-Brown, Bu-Blue, Gn-Green, Or-Orange, R-Red, W-White, Y-Yellow, Gy-Grey, V-Violet
RH SIDE
COOLING
FAN
SLOW COOK
OVEN SWITCH
SLOW COOK
NEON
RIGHT HAND
O
VEN
NEON
RH REAR
THERMAL
CUTOUT
RH OVEN FAN
ELEMENT
RH OVEN
STIR
FAN
RIGHT HAND
OVEN LAMP
3 WAY TERMINAL
BLOCK (RH)
L
N
INLET TERMINAL BLOCK
4 WAY TERMINAL
BLOCK (RH)
SLOW COOK
ELEMENT
IGNITION
GENERATOR
RIGHT HAND IGNITION SWITCHES
LEFT HAND IGNITION SWITCHES
1
2
THERMOSTAT
RH OVEN
SWITCH
1
2
P1
P2
W
444
422
422
41
W
W
60
60
60
121
121
469
469
W
467
467
W
546
546
546
419
419
546
546
430
430
538
538
538
444
444
64
401
401
474
474
474
416
416
FRONT
BACK
BACK
FRONT
63
63
463
PUSH ON
EARTH TAB
Gn
L
N
W
Or
Bk
Bk
Bk
R
R
Or
Y
R
Or
Bn
Bn
Bn
Bn Bn
Bn
Bn
Bn
Bn
Bn
Bn
Bn
Bn
Bn
Bn
Bn
Bn
Bn
64
64
64
Bk
Bk
437
437
Or
Or
66
506
557
A
B
C
ISSUE A - P 2/2
08 30822 00
05.2010

Related product manuals