EasyManua.ls Logo

BENDIXKing KY 96A - Page 141

BENDIXKing KY 96A
237 pages
Print Icon
To Next Page IconTo Next Page
To Next Page IconTo Next Page
To Previous Page IconTo Previous Page
To Previous Page IconTo Previous Page
Loading...
B KY 96A, KY 97A
Rev 5, Apr 2003 MM 006-05674-0005.dwd Page 6-145
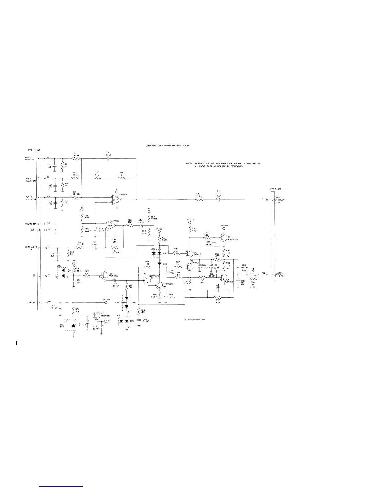
FIGURE 6-14A Audio Amplifier Board Schematic
(Dwg No 002-07797-0000, Rev 4)

Related product manuals