EasyManua.ls Logo

BENDIXKing KY 96A - Page 63

BENDIXKing KY 96A
237 pages
Print Icon
To Next Page IconTo Next Page
To Next Page IconTo Next Page
To Previous Page IconTo Previous Page
To Previous Page IconTo Previous Page
Loading...
B KY 96A, KY 97A
Rev 5, Apr 2003 MM 006-05674-0005.dwd Page 6-25
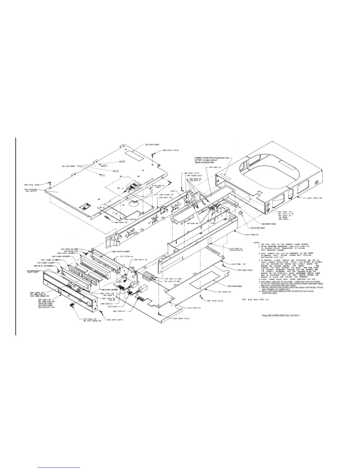
FIGURE 6-1 KY 96A Final Assembly (Sht 1 of 2)
(Dwg No 300-04268-0000, Rev AG, Sht 1)

Related product manuals