EasyManua.ls Logo

Beta Technology DR-2000 - Page 11

Beta Technology DR-2000
12 pages
Print Icon
To Next Page IconTo Next Page
To Next Page IconTo Next Page
To Previous Page IconTo Previous Page
To Previous Page IconTo Previous Page
Loading...
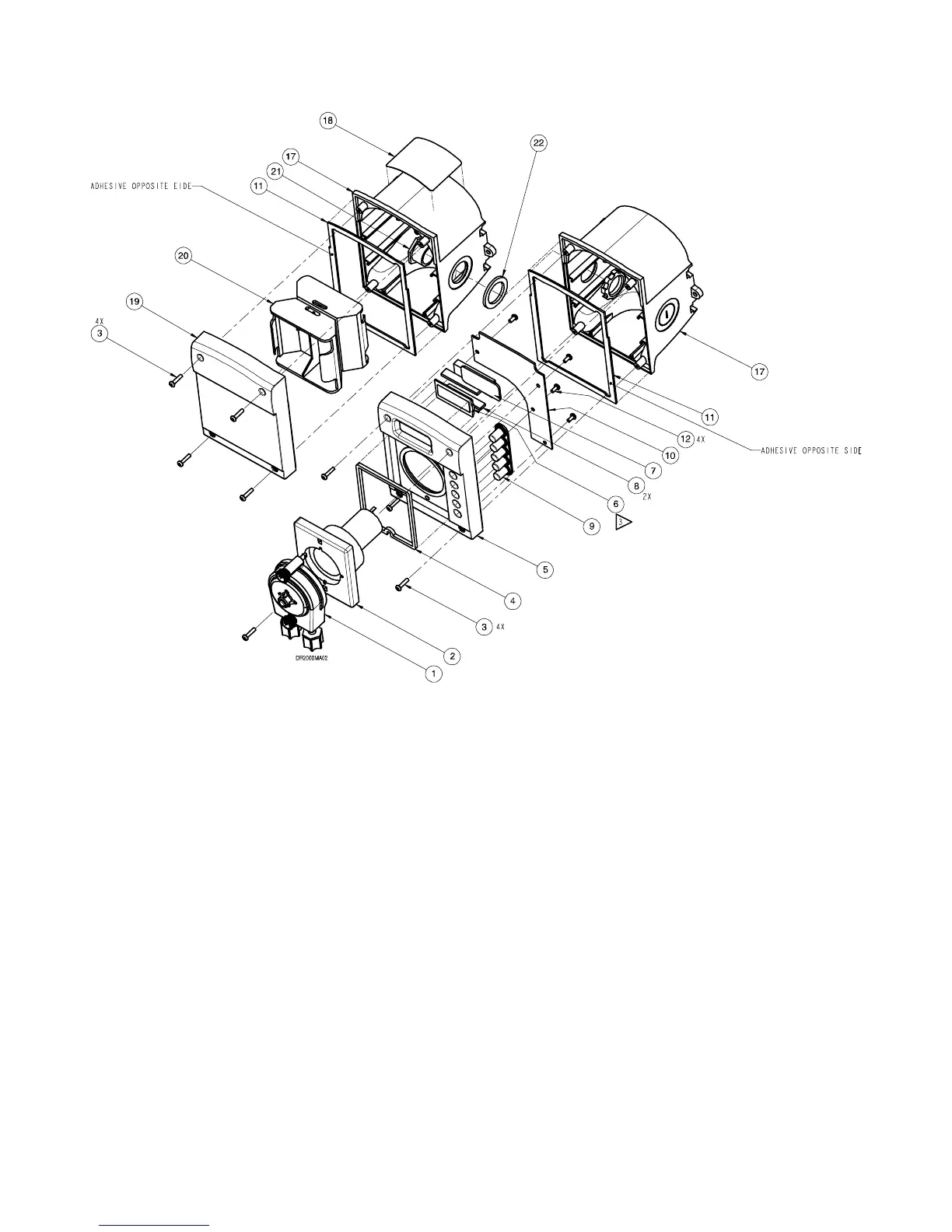
Seq# Description Code #
1 SnapHead Pump Cartridge 058210
w/Silicone Tube
2 Pump Motor Gearbox 057755
6 VDC
3 M3 x 12 mm Panhead N/A
Bezel Screws
4 Pump Gasket 099705
5 Main Bezel N/A
6 LCD N/A
7 Foam Spacer N/A
8 Zebra Strips N/A
Seq# Description Code #
9 Buttons N/A
10 Main PCB 1202397
11 Bezel Gasket 1202615
12 Main PCB Screws N/A
17 Bucket N/A
18 Serial Label N/A
19 Battery Pack Bezel N/A
20 D-Cell Battery Holder 1202596
21 Conduit Fitting N/A
22 Circular Gasket N/A
DR-2000 (R14735-00, Rev C) February 2010 1210730 11