EasyManua.ls Logo

Binks SG-2 Plus - Page 4

Binks SG-2 Plus
8 pages
Print Icon
To Next Page IconTo Next Page
To Next Page IconTo Next Page
To Previous Page IconTo Previous Page
To Previous Page IconTo Previous Page
Loading...
4
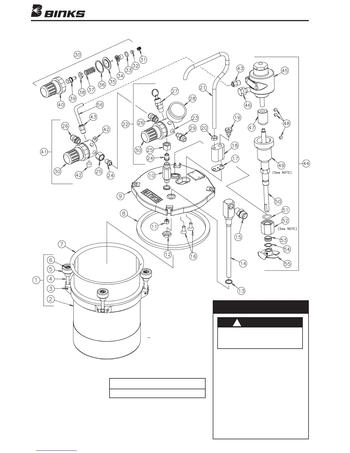
Binks MODEL 80-651 SG-2 PLUS
TM
PRESSURE CUP WITH ROTARY AGITATOR
NOTE
Items 49 and 52 have left hand threads.
INSTRUCTIONS
1.Depressurize and shut off the entire system
before installing the conversion kit.
2. Remove regulator from cup.
3. Replace gauge (28) with gauge provided in
the conversion kit.
4. Replace the regulating spring (37).
5.Inspectallotherinternalcomponentsof
the regulator and replace with the new
items from the conversion kit as needed
and reassemble the regulator.
6. Reassemble the regulator to the cup.
MODEL 80-651 LOW PRESSURE
CONVERSION INSTRUCTIONS
WARNING
A
ttempting to install the conversion kit
while the system is pressurized could
result in damage to components or
bodily injury.
!

Related product manuals