EasyManua.ls Logo

BIO-MED DEVICES Crossvent-2i+ - Page 72

BIO-MED DEVICES Crossvent-2i+
97 pages
Print Icon
To Next Page IconTo Next Page
To Next Page IconTo Next Page
To Previous Page IconTo Previous Page
To Previous Page IconTo Previous Page
Loading...
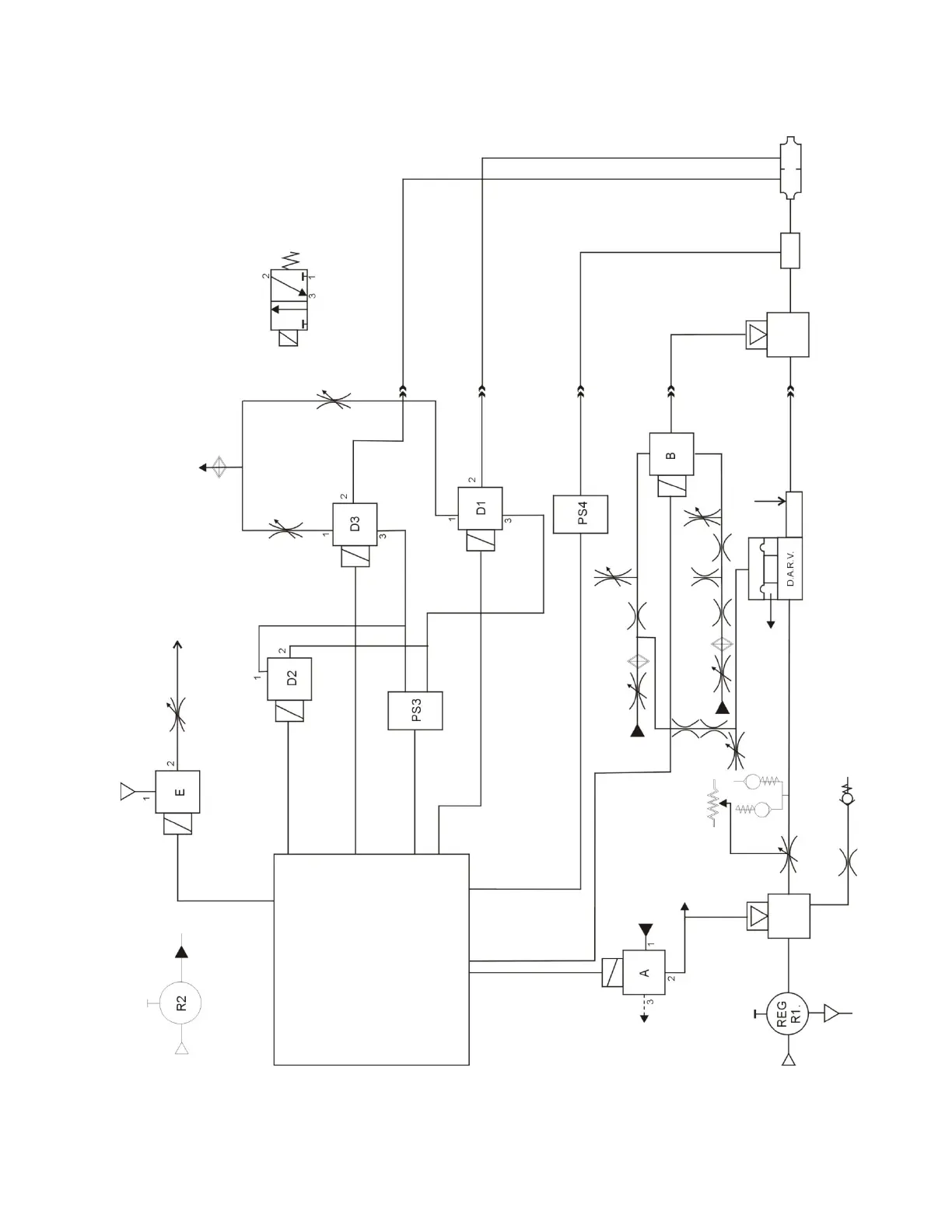
IX. PARTS LIST AND SCHEMATIC DIAGRAMS- CONT.
67
DUAL REGULATOR
TYPICAL SOLENOID
ARROW NOT INDICATIVE
OF DIRECTION OF FLOW
ATM. = ATMOSPHERE
TO “A” SOLENOID
BASE FLOW TO
PATIENT OUTPUT
MANIFOLD
MICROPROCESSOR
CONTROL
CIRCUITRY
SOLENOID
VALVE
SOLENOID
VALVE
SOLENOID
VALVE
SOLENOID
VALVE
SOLENOID
VALVE
PILOT
VALVE
CHECK VALVE
2-WAY
RELIEF VALVE
FLOW VALVE
PATIENT OUTPUT
MANIFOLD
FROM SOLENOID E
ATM.
ATM.
TO “D” SOLENOIDS
POTENTIOMETER
TO SOLENOID E
PIP
PEEP
EXH. VALVE
PNEUMOTACH
AIRWAY PRESSURE
FROM R1
LOGIC
REGULATOR
PATIENT

Table of Contents

Related product manuals