EasyManua.ls Logo

BIO-MED DEVICES Crossvent-2i+ - System Schematics

BIO-MED DEVICES Crossvent-2i+
97 pages
Print Icon
To Next Page IconTo Next Page
To Next Page IconTo Next Page
To Previous Page IconTo Previous Page
To Previous Page IconTo Previous Page
Loading...
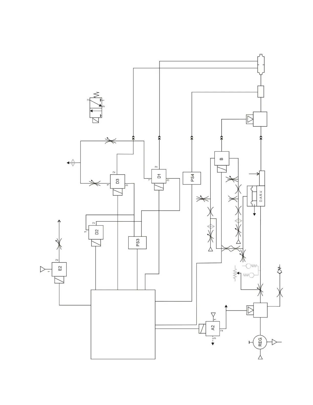
IX. PARTS LIST AND SCHEMATIC DIAGRAMS- CONT.
66
B- SCHEMATICS
1- PNEUMATIC SCHEMATICS
SINGLE REGULATOR
PATIENT
PNEUMOTACH
EXH. VALVE
AIRWAY PRESSURE
TYPICAL SOLENOID
ARROW NOT INDICATIVE
OF DIRECTION OF FLOW
ATM. = ATMOSPHERE
SOLENOID
VALVE
SOLENOID
VALVE
TO “A” SOLENOID
PATIENT OUTPUT
MANIFOLD
FROM SOLENOID E2
ATM.
PEEP
PIP
SOLENOID
VALVE
BASE FLOW TO
PATIENT OUTPUT
MANIFOLD
SOLENOID
VALVE
MICROPROCESSOR
CONTROL
CIRCUITRY
SOLENOID
VALVE
TO “D” SOLENOIDS
POTENTIOMETER
CHECK VALVE
FLOW VALVE
2-WAY
RELIEF VALVE
PILOT
VALVE
ATM.

Table of Contents

Related product manuals