EasyManua.ls Logo

BIO-MED DEVICES Crossvent-2i+ - 3- Circuit Schematics

BIO-MED DEVICES Crossvent-2i+
97 pages
Print Icon
To Next Page IconTo Next Page
To Next Page IconTo Next Page
To Previous Page IconTo Previous Page
To Previous Page IconTo Previous Page
Loading...
IX. PARTS LIST AND SCHEMATIC DIAGRAMS- CONT.
69
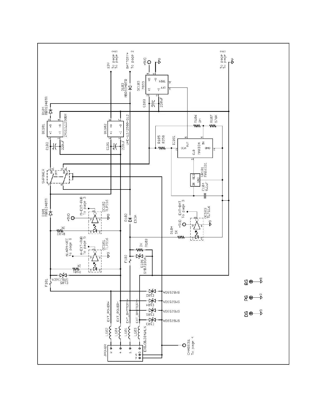
3- CIRCUIT SCHEMATICS
GROUND TEST POINTS
POWER SUPPLY
Main PCB schematic page 1 of 6

Table of Contents

Related product manuals