EasyManua.ls Logo

BIRO F2000N - Page 22

BIRO F2000N
36 pages
Print Icon
To Next Page IconTo Next Page
To Next Page IconTo Next Page
To Previous Page IconTo Previous Page
To Previous Page IconTo Previous Page
Loading...
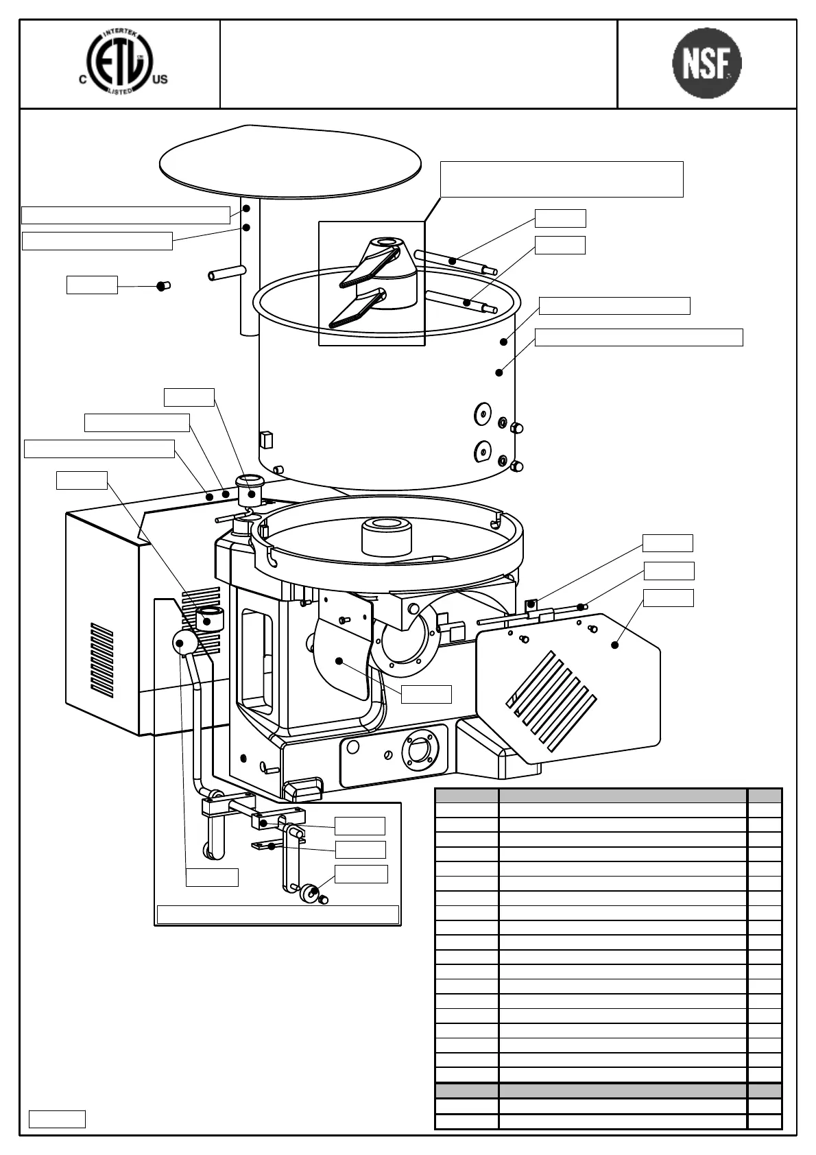
40201
06200
NSF VERSION
40300 STANDARD
50200
05600
50700
76600
12701
50100 STANDARD
50102 F4000
50400
AF021
40202
40102 EXTENDED HOPER
40100 STANDARD
50300
40302 EXTENDED HOPER
13701-COMPLETE ASSEMBLY
AF025
05701 COMPLETE ASSEMBLY
12402
PAG-7
ABM
F2000N - F3000N - F4000N - B1200N
NSF / ETL VERSION
CODE DESCRIPTION Q,TY
AF021 KNOB Ø40 M10 1
F9312402 BUSHING 1
F9305600 GUIDE 2
F9306200 METAL PLATE 2
AF025 PTFE WHEEL 2
F9312701 BUSHING 1
F9340100 HOPPER d360x260h 1
F9340102 HOPPER d360x430h 1
F9340201 HOPPER SHORT PIN 12x110 1
F9340202 HOPPER LONG PIN 12x130 1
F9340300 HOPPER COVER ARM 1
F9340302 EXT.HOPPER COVER ARM 1
F9376600 MAGNET SUPPORT 1
F9350100 SS REAR PROTECTION 1
F9350102 REAR PROTECTION F4000 1
F9350200 LEFT SIDE PROTECTION 1
F9350300 SS DRUM PROTECTION 205x300 1
F9350400 LOCKING KEY PIN 8x177 M4 1
F9350700 LOCKING LEFT AND RIGHT KEY 1
CODE DESCRIPTION Q,TY
F9305701 TILTING DEVICE - COMPLETE ASSEMBL 1
F9313701 PADDLE - COMPLETE ASSEMBL 1

Related product manuals