EasyManua.ls Logo

BLACKHAWK! PL10C - Electric Diagram; Electric Diagram Part 1

BLACKHAWK! PL10C
38 pages
Print Icon
To Next Page IconTo Next Page
To Next Page IconTo Next Page
To Previous Page IconTo Previous Page
To Previous Page IconTo Previous Page
Loading...
________________________________________PL10C / PL20B_____________________________________
19
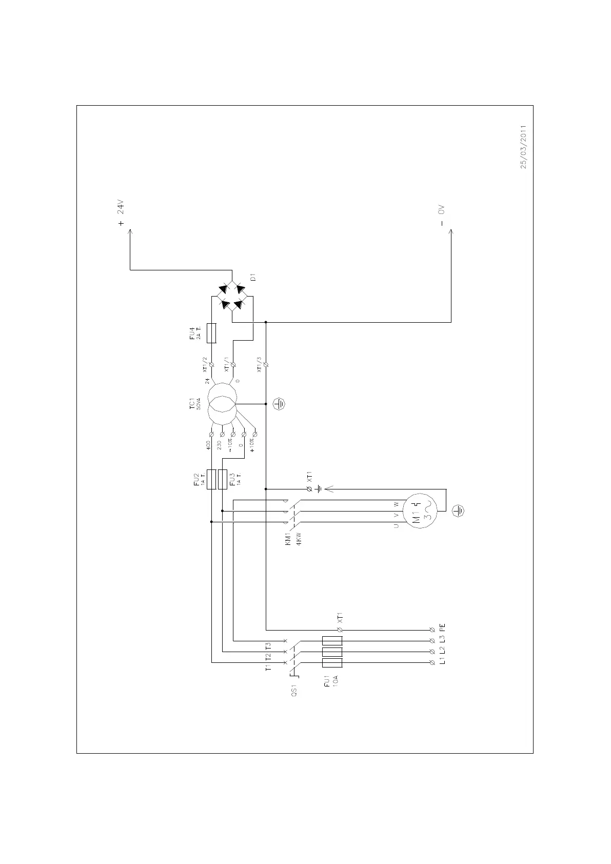
X) ELECTRIC DIAGRAM 1/2