EasyManua.ls Logo

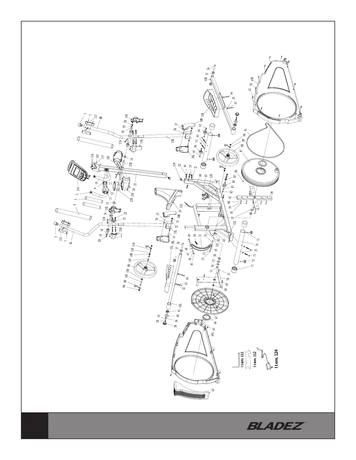
BLADEZ E550 - Exploded View Drawing

BLADEZ E550
37 pages
Print Icon
To Next Page IconTo Next Page
To Next Page IconTo Next Page
To Previous Page IconTo Previous Page
To Previous Page IconTo Previous Page
Loading...
34
EXPLODED VIEW DRAWING

Related product manuals