EasyManua.ls Logo

Blodgett MT2136 Series - Page 16

Blodgett MT2136 Series
94 pages
Print Icon
To Next Page IconTo Next Page
To Next Page IconTo Next Page
To Previous Page IconTo Previous Page
To Previous Page IconTo Previous Page
Loading...
INTRODUCTION
1-12
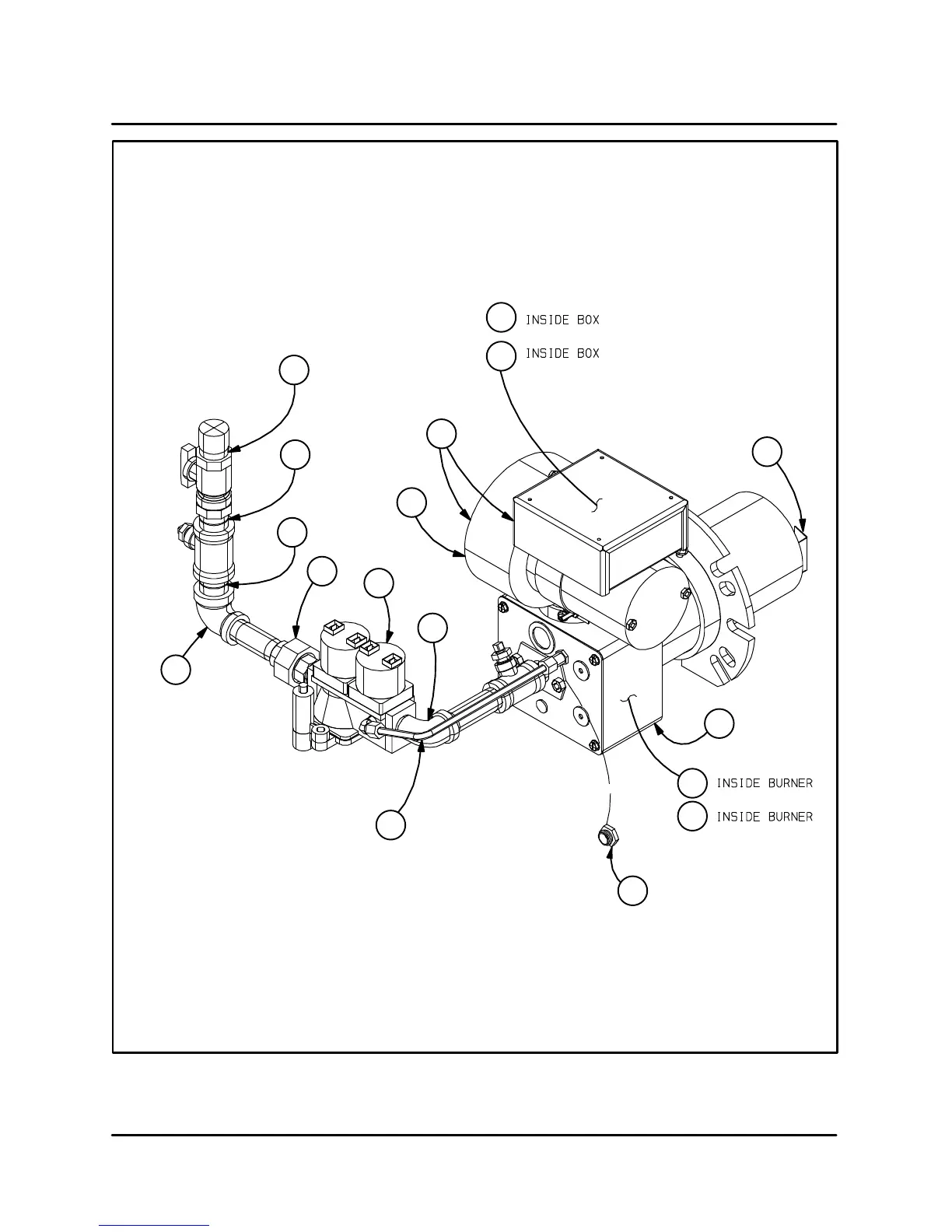
DOMESTIC GAS BURNER COMPONENTS
(Control Box not Shown)
2
1
3
4
5
7
8
9
10
6
15
14
11
12
13
13
13
FIGURE 4

Table of Contents

Related product manuals