EasyManua.ls Logo

Blodgett MT2136 Series - Page 50

Blodgett MT2136 Series
94 pages
Print Icon
To Next Page IconTo Next Page
To Next Page IconTo Next Page
To Previous Page IconTo Previous Page
To Previous Page IconTo Previous Page
Loading...
OPERATION
3-26
16
17
20
19
18
15
3
12
13
13
13
4
14
7
1
2
8
9
10
6
11
5
5
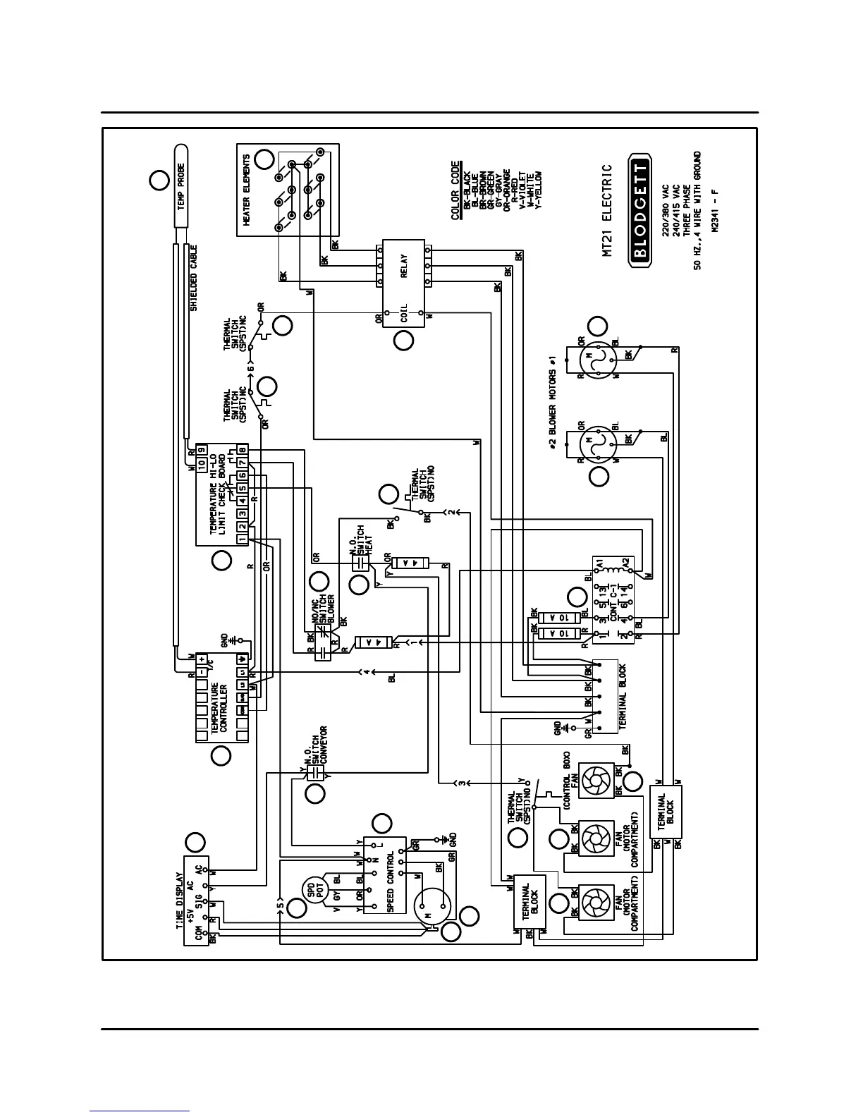
FIGURE 5

Table of Contents

Related product manuals