EasyManua.ls Logo

BOC Edwards ESDP12 - Page 9

BOC Edwards ESDP12
27 pages
Print Icon
To Next Page IconTo Next Page
To Next Page IconTo Next Page
To Previous Page IconTo Previous Page
To Previous Page IconTo Previous Page
Loading...
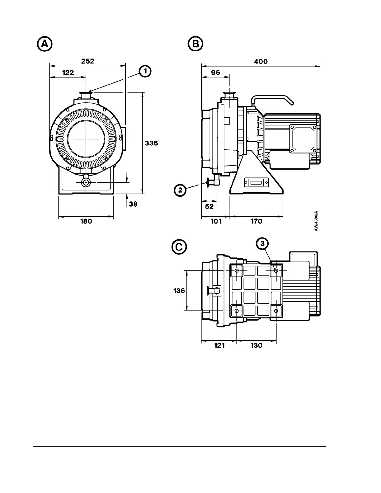
Figure 3 - ESDP12 pump dimensions (mm)
A Front view
B Side view
C View of base
1. Inlet
2. Outlet
3. Mounting-holes: 11 (4 off)
6 ESDP12 and ESDP30 Scroll Pumps

Related product manuals