EasyManua.ls Logo

Bolin Technology KBD-1010 - Rs422 Connection with Bolin Camera

Bolin Technology KBD-1010
31 pages
Print Icon
To Next Page IconTo Next Page
To Next Page IconTo Next Page
To Previous Page IconTo Previous Page
To Previous Page IconTo Previous Page
Loading...
18
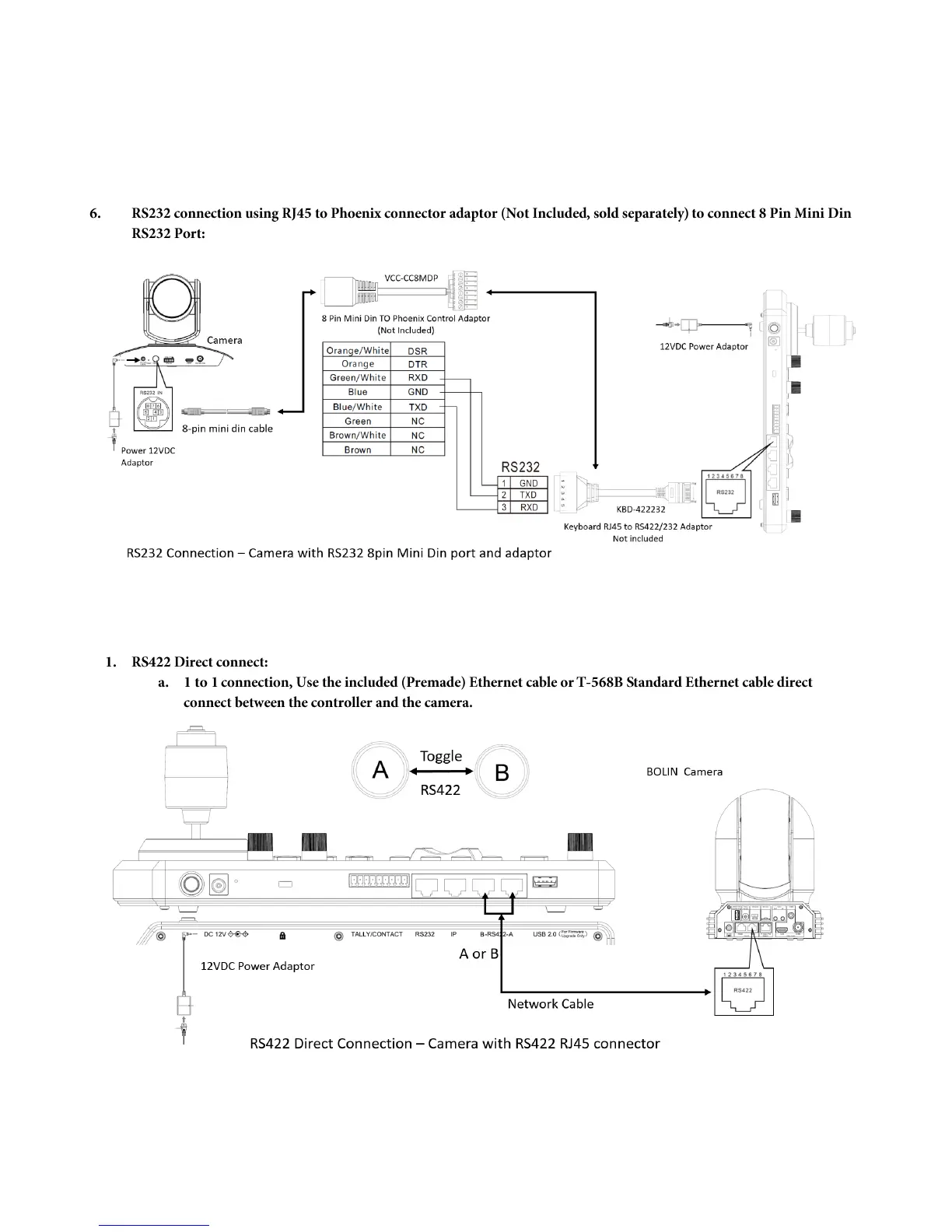
RS422 connection with Bolin Camera
Follow the diagram below for the following options:

Related product manuals