EasyManua.ls Logo

Bomar 320.258 DG - Page 48

Default Icon
82 pages
Print Icon
To Next Page IconTo Next Page
To Next Page IconTo Next Page
To Previous Page IconTo Previous Page
To Previous Page IconTo Previous Page
Loading...
140
1.
Manual version: 1.15 / June 2019
Manual rev.: 2
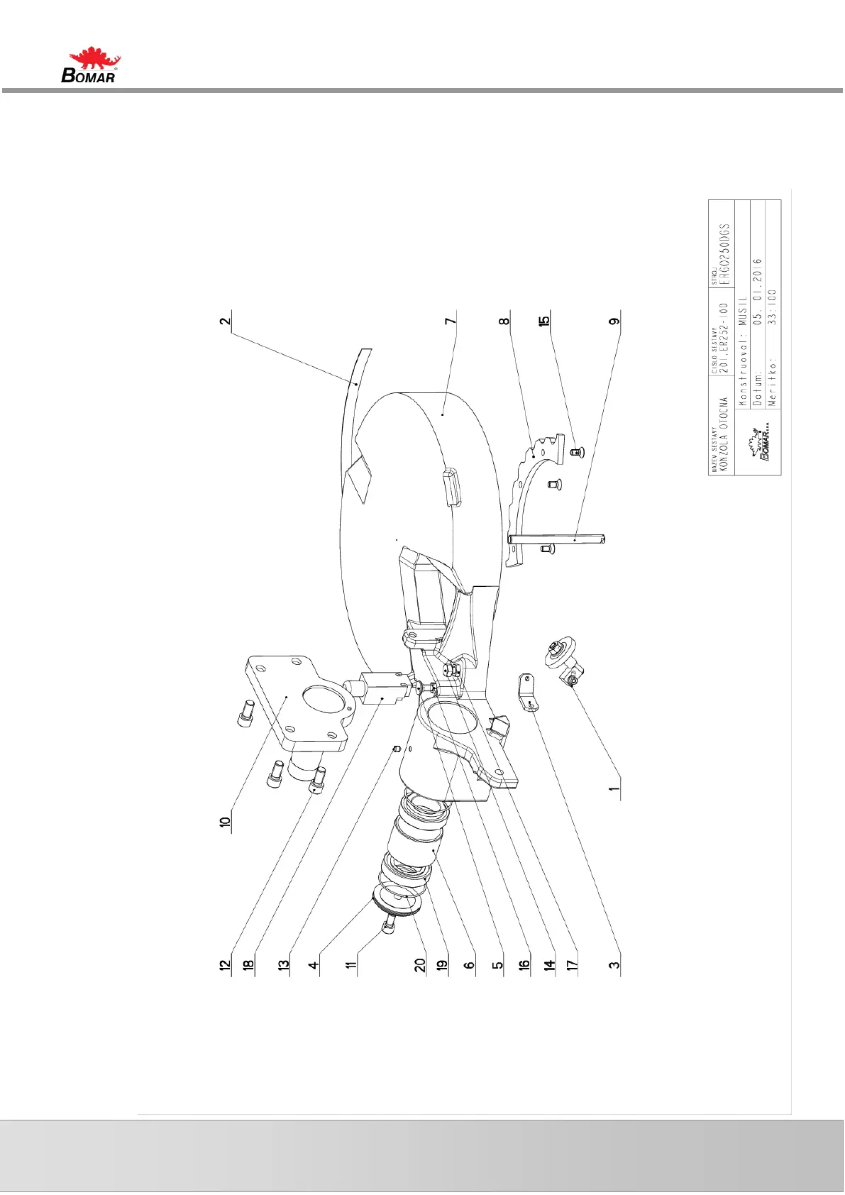
7.11. Konzola otočná / Turnable consol / Drehkonsole

Related product manuals