EasyManua.ls Logo

BOMCO F-1300 - Page 46

Default Icon
70 pages
Print Icon
To Next Page IconTo Next Page
To Next Page IconTo Next Page
To Previous Page IconTo Previous Page
To Previous Page IconTo Previous Page
Loading...
Instruction Manual for F1300/1600 Mud Pump
45
F-1300/1600 Spare Parts List
F-1300/1600 Tool List
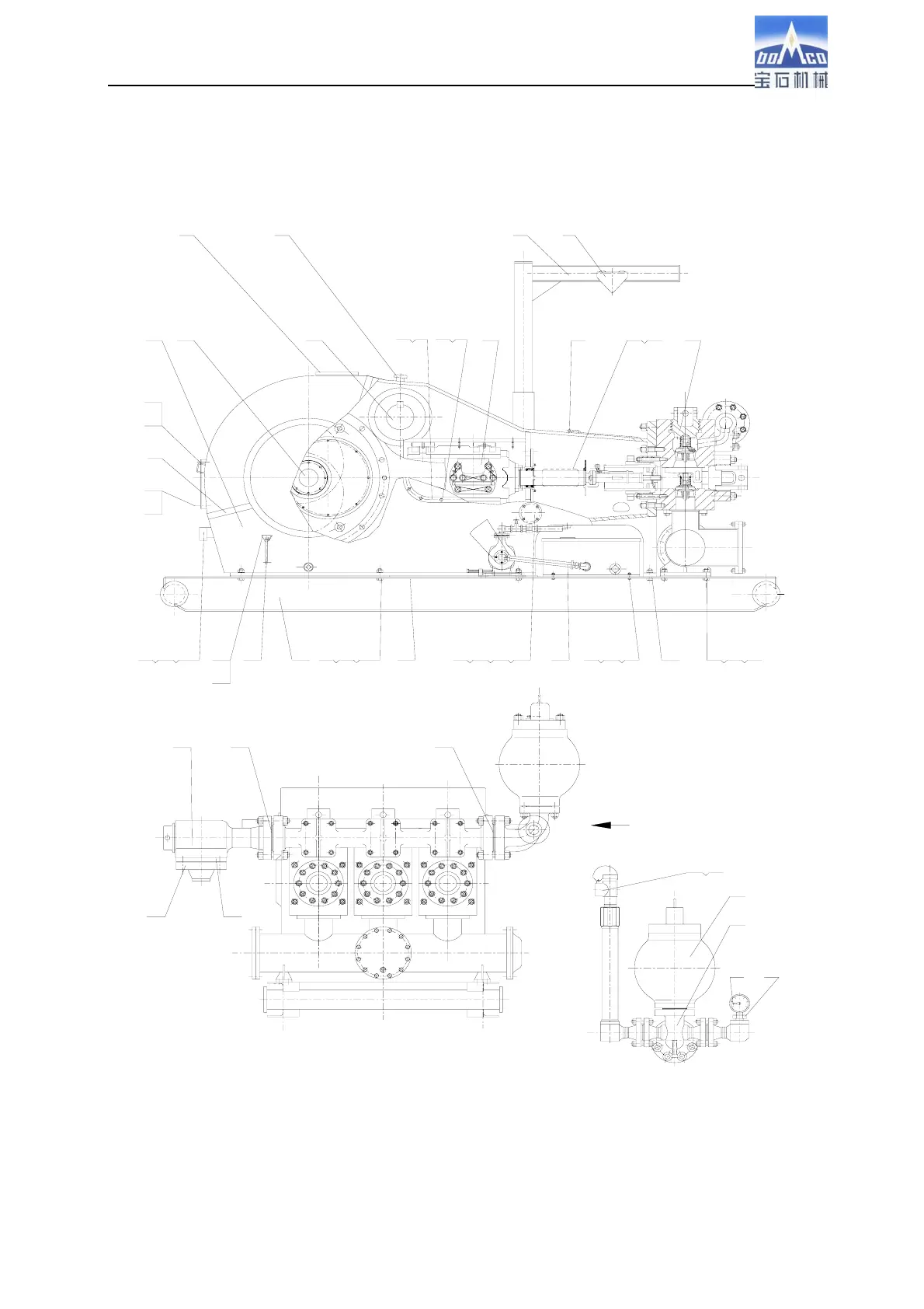
F-1300/1600 Mud Pump General Assembly
52
B
B向
57
51
45
58
18
54
6
56
17
28
27
42
15
14
16
7
3029
31
1
2
9
3
10
33
2158
2322
8
36
3837
13
3525
24 26
4
55
12
11
43
40
39
41
5
49
48
47
47
47
46
44

Related product manuals