EasyManua.ls Logo

Bosch EP015 - Electric Heat Wiring Diagram

Bosch EP015
40 pages
Print Icon
To Next Page IconTo Next Page
To Next Page IconTo Next Page
To Previous Page IconTo Previous Page
To Previous Page IconTo Previous Page
Loading...
33
EP Series
8733922168
Revised 12-13 Subject to change without prior notice
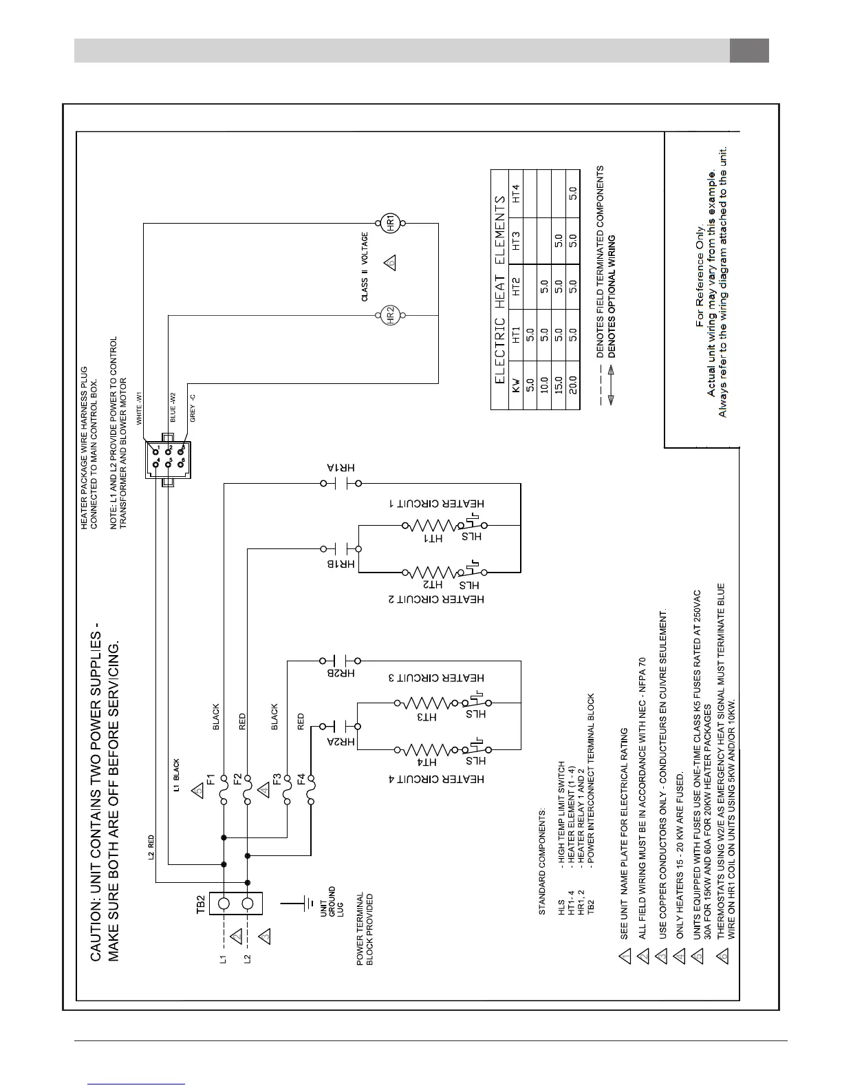
Electric Heat Wiring Diagram

Related product manuals