EasyManua.ls Logo

Bosch Rexroth IndraDrive Mi - Dimensions

Bosch Rexroth IndraDrive Mi
84 pages
Print Icon
To Next Page IconTo Next Page
To Next Page IconTo Next Page
To Previous Page IconTo Previous Page
To Previous Page IconTo Previous Page
Loading...
3.3 Dimensions
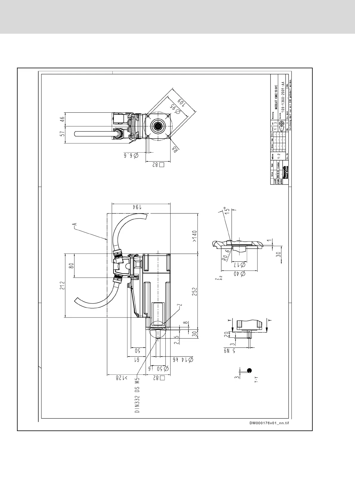
Fig.3-3: Dimensions KSM02.1B-041C
Bosch Rexroth AG DOK-INDRV*-KSM02*UL***-IN01-EN-P
Rexroth IndraDrive Mi Distributed Servo Drive KSM02
30/81
Ratings and Dimensions

Table of Contents

Other manuals for Bosch Rexroth IndraDrive Mi

Related product manuals