EasyManua.ls Logo

Bosch WH27 - Descripción de Funcionamiento

Bosch WH27
80 pages
Print Icon
To Next Page IconTo Next Page
To Next Page IconTo Next Page
To Previous Page IconTo Previous Page
To Previous Page IconTo Previous Page
Loading...
Información sobre el calentador | 35US
6 720 646 951 (2011/09)Copyright
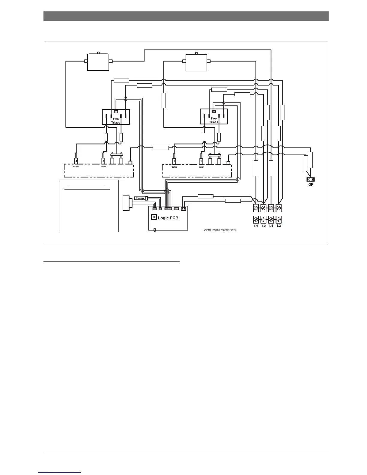
Fig. 4 Diagrama esquemático interior de cableado para la unidad WH17 de una sola fase.
2.8 Descripción de funcionamiento
Cómo funciona el calentador de agua:
The Tronic 5000C Pro calienta el agua continuamente
a medida que fluye a través de los módulos del calen-
tador.
El control electrónico de PCB controla el caudal y la
temperatura del agua entrante y después cambia en el
número necesario de elementos calefactores para lle-
gar a la temperatura seleccionada mediante el ajuste
del control de temperatura.
A medida que el caudal o la temperatura del agua de
entrada cambia, el control electrónico ajusta el núme-
ro de elementos del calentador utilizados para que la
temperatura de salida se mantenga.
La temperatura de salida del agua puede cambiar lige-
ramente el caudal de los cambios debidos a lo pasos
en la energía diferentes elementos del calentador se
enciende y se apagan.
La temperatura del agua de salida también puede
variar si se excede el caudal máximo (ver Fig. 11) o si
elcambia el suministro de voltaje.
Cada módulo calentador está protegido por una corta
circuito rmico electromecánico. Este corta circuitos
se pondrá en funcionamiento solamente en circuns-
tancias excepcionales.
Contactar el suporte técnico para mas assistencia
800-798-8161.
La unidad WH17 es suministrada de dos fuentes de
voltaje independientes y la unidad WH27 de tres
suministros de voltaje independientes. (En Canadá, la
unidad tiene solamente una fuente de voltaje).
Dependiendo de la región del país, la temperatura del
suministro de agua puede variar entre 40 °F en
invierno y 70 °F en verano, con un promedio de 55 °F.
La temperatura de salida y el flujo máximo del calen-
tador depende de la temperatura de entrada de agua.
6720648179-03.1V
Disyuntor
de
únicopolo
Disyuntor
de
únicopolo
Marrón
Negro
Roja
Roja
Negro
Marrón
Azul
Marrón
Flujo
PCBvisto
desdeel
ladodela
conexión
PCBvisto
desdeel
ladodela
conexión
Roja
(ver/ama)
(ver/ama)
(ver/ama)
Tapadelatónizquierda(vistafrontal) Tapadelatónderecha(vistafrontal)
terminales
Esquemadeconexión
suministro17kW,2x240V.
Advertencia
apagarelsuministrode
electricidadantesdeproceder
Instalaciónymantenimiento.
Debeserrealizada
solamenteporun
electricistaconlicencia
Suministro1/2
Azul
Marrón
Marrón
Azul
Azul
Marrón
Marrón
Negro

Table of Contents

Other manuals for Bosch WH27

Related product manuals