EasyManua.ls Logo

Bosch WH27 - Function

Bosch WH27
80 pages
Print Icon
To Next Page IconTo Next Page
To Next Page IconTo Next Page
To Previous Page IconTo Previous Page
To Previous Page IconTo Previous Page
Loading...
Informations relatives au chauffe-eau | 61US
6 720 646 951 (2011/09)Copyright
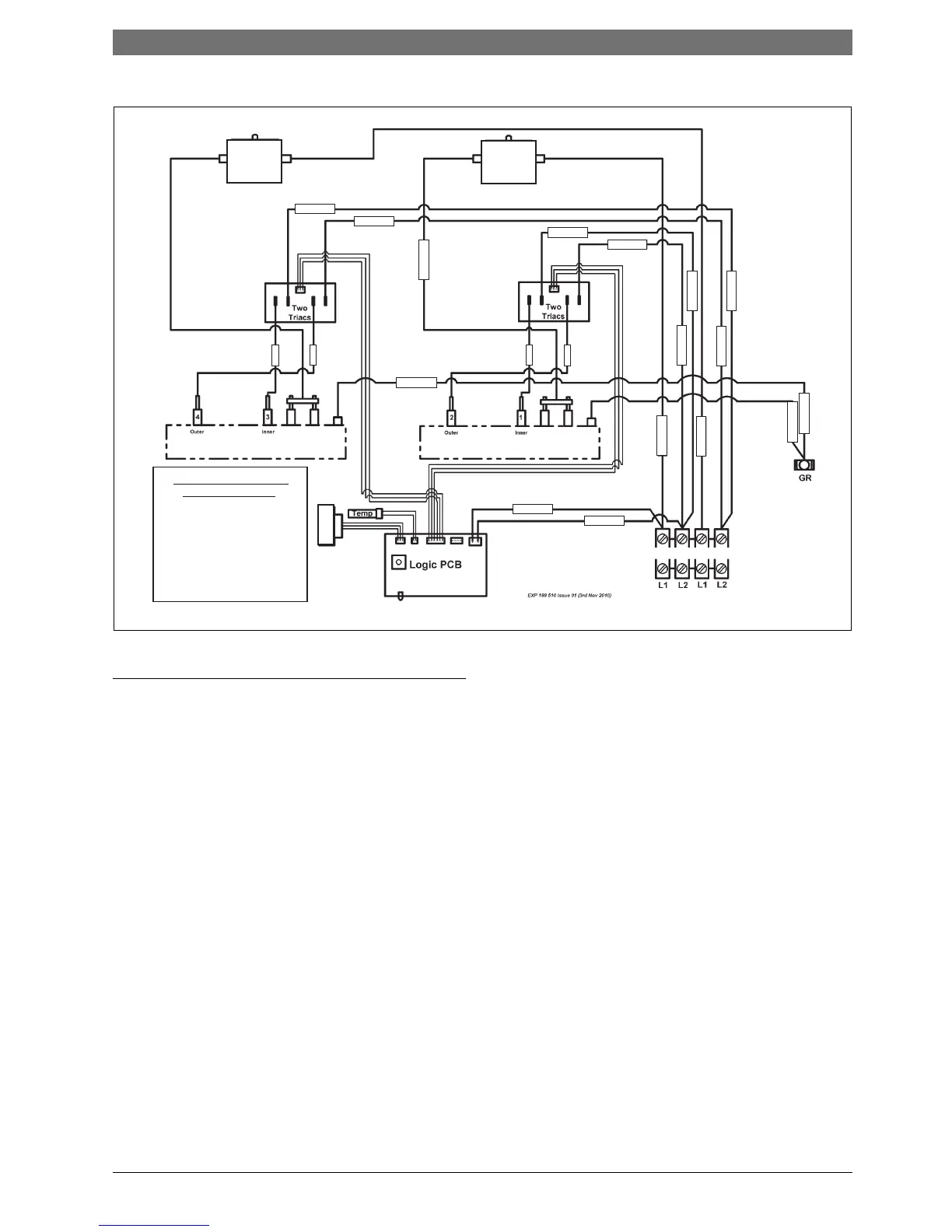
Fig. 4 Schéma de câblage interne pour l'unité monophasée WH17.
2.8 Function
Mode de fonctionnement du chauffe-eau:
Le Tronic 5000C Pro chauffe l'eau de manière conti-
nue tandis qu'elle s'écoule dans les modules du
chauffe-eau.
La carte de circuit imprimé de contrôle électronique
surveille le débit ainsi que la température de l'eau à
l'entrée et commute sur le nombre requis de résistan-
ces électriques afin d'atteindre la température établie
sur le cadran de réglage de la température.
Le débit ou la température de l'eau à l'entrée peut
varier. Par conséquent, le contrôle électronique règle
le nombre de résistances utilisées afin de maintenir la
température de l'eau à la sortie.
La température de l'eau à la sortie peut être légère-
ment modifiée en fonction du changement du débit
aux échelons de puissance lorsque les résistances
sont mises en marche et arrêtées.
La température de l'eau à la sortie peut également
varier si le débit maximum est dépassé (see
Fig. 11)
ou si la tension d'alimentation est modifiée.
Chaque module du chauffe-eau est protégé par un
protecteur thermique électromécanique. Ce protec-
teur thermique ne fonctionne qu'en cas de circonstan-
ces exceptionnelles.
Contacter le service aprés ventes 800-798-8161 pour
touts renseignements.
L'unité WH17 est alimentée par deux tensions indé-
pendantes et l'unité WH27 par trois tensions indép-
endantes (au Canada, l'unité ne présente qu'une
seule tension).
En fonction de la région, la température de l'eau à
l'entrée peut varier entre 40 °F en hivers et 70 °F en
été, avec une moyenne de 55 °F. La température de
sortie et le débit maximal du chauffe-eau dépendent
de la température de l'eau à l'entrée.
6720648180-03.1V
PCBvisto
desdeel
ladodela
conexión
(vert/jau)
Coupe
circuit
unipolaire
Coupe
circuit
unipolaire
Marron
Rouge
Noir
Noir
Marron
Rouge
Rouge
Marron
Bleu
Cartesdecircuits
imprimésvuedu
côtébranchement
Cartesdecircuits
imprimésvuedu
côtébranchement
(vert/jau)
Couverclesdelaitondegauche(vuefrontale)
Couverclesdelaitondedroite(vuefrontale)
Débit
Bornier
Alimentation1/2
Schémadecâblage17kW,
alimentation2x240V.
Attention:
couperl'alimentation
électriqueavanttoute
installationetentretiende
serviceàexécuter
exclusivementpar
unélectricienagréé.
(vert/jau)
Noir
Bleu
Marron
Bleu
Marron
Marron
Bleu
Marron

Table of Contents

Other manuals for Bosch WH27

Related product manuals