EasyManua.ls Logo

Bosch WH27 - Schéma de Cablage

Bosch WH27
80 pages
Print Icon
To Next Page IconTo Next Page
To Next Page IconTo Next Page
To Previous Page IconTo Previous Page
To Previous Page IconTo Previous Page
Loading...
60 | Informations relatives au chauffe-eau US
Copyright6 720 646 951 (2011/09)
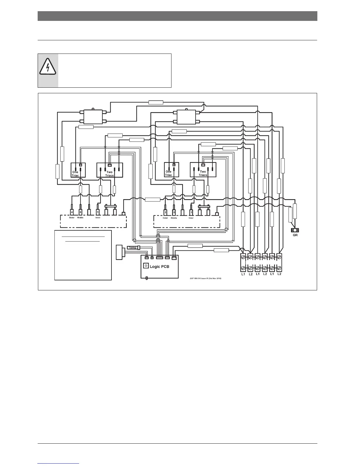
2.7 Schéma de cablage
Fig. 3 Schéma de câblage interne pour l'unité monophasée WH27.
DANGER : Risque de choc électrique!
B Toujours couper l'alimentation électrique
de l'unité avant toute intervention sur le
chauffe-eau.
6720648180-02.1V
Gris
Gris
Nior
Marron
Gris
Gris
(vert/jau)
Noir
Noir
Marron
Couverclesdelaitondegauche(vuefrontale)
Alimentation1/2/3
Schémadecâblage27kW,
alimentation3x240V.
Attention:
couperl'alimentation
électriqueavanttoute
installationetentretiende
serviceàexécuter
exclusivementpar
unélectricienagréé.
(vert/jau)
Rouge
Coupe
circuit
2pôles
Coupe
circuit
2pôles
Débit
Couverclesdelaitondedroite(vuefrontale)
Bornier
Cartesdecircuits
imprimésvuedu
côtébranchement
Cartesdecircuits
imprimésvuedu
côtébranchement
Rouge
Rouge
Rouge
Rouge
Bleu
Bleu
Marron
Marron
Rouge
Blue
(vert/jau)
Gris
Marron
Marron
Bleu
Gris
Marron
Rouge
Rouge

Table of Contents

Other manuals for Bosch WH27

Related product manuals