EasyManua.ls Logo

Braun L919 - Series A6 Front Pump Module Diagram

Braun L919
95 pages
Print Icon
To Next Page IconTo Next Page
To Next Page IconTo Next Page
To Previous Page IconTo Previous Page
To Previous Page IconTo Previous Page
Loading...
Page 11Supplement 29376
Series A6 and Installation Supplement 29376
Series A6 & Installation Supplement 29376
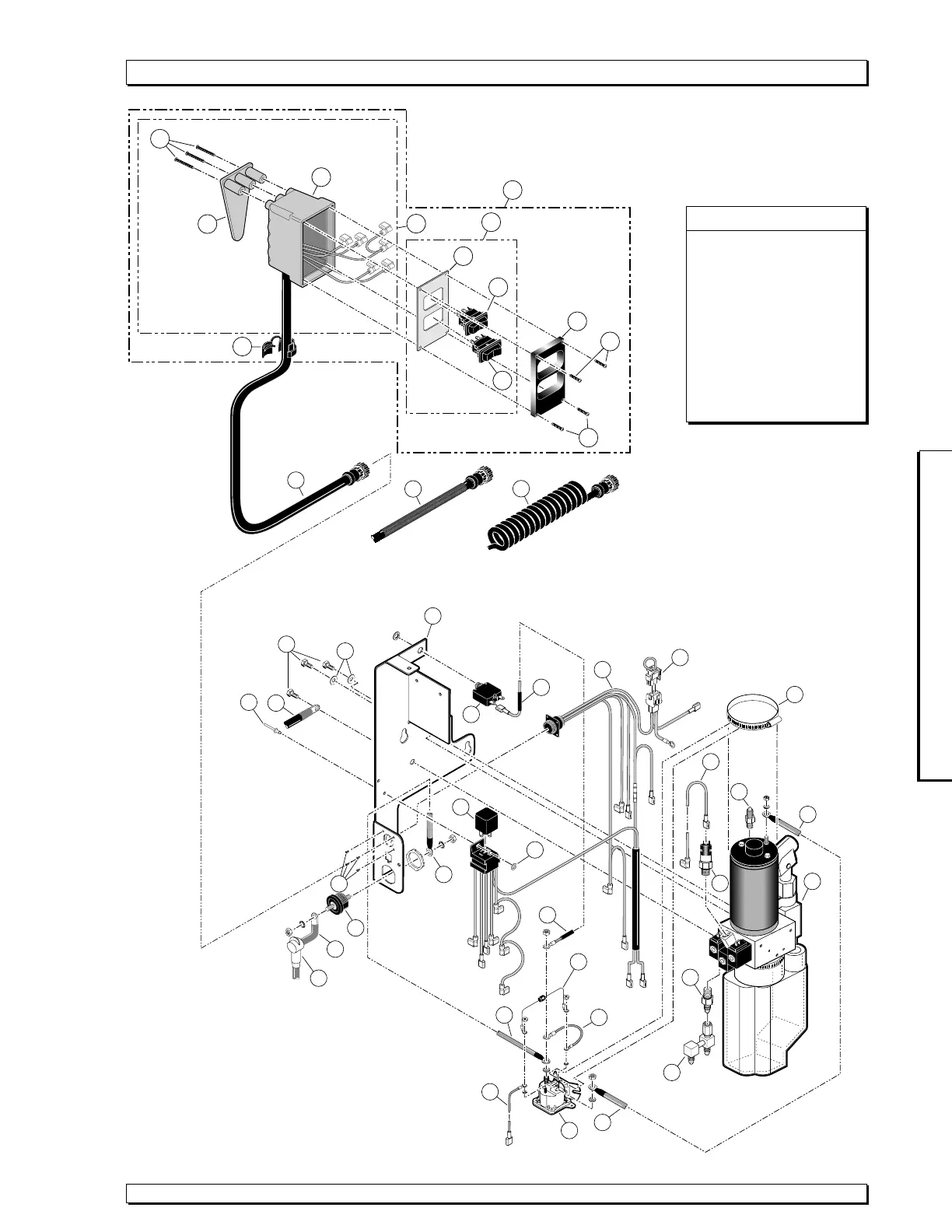
Series A6 Front Pump Module Diagram
40
30
4
37
34
21
2
3
2
5
1
32
38
39
24
28
32
35
36
19
17
6
12
8
9
10
11
7C
7B
7A
22
23
25
20
26
27
D
O
W
N
UP
U
N
F
O
L
D
(O
U
T
)
FOLD
(IN)
13
14
15
16
16
18
33
35
34
29
31
Apply red #271 Thread
Locker Loctite
®
to the
three pump mounting
bolts (item 28) if a blue
nylon patch is not present
on the bolts when
retrofitting an M268 pump
assembly. Loctite
®
is
available from The Braun
Corporation under part
number 11522-1.
Pump Mounting Bolts

Table of Contents