EasyManua.ls Logo

Braun L919 - Lift Electrical Schematic

Braun L919
95 pages
Print Icon
To Next Page IconTo Next Page
To Next Page IconTo Next Page
To Previous Page IconTo Previous Page
To Previous Page IconTo Previous Page
Loading...
Page 50
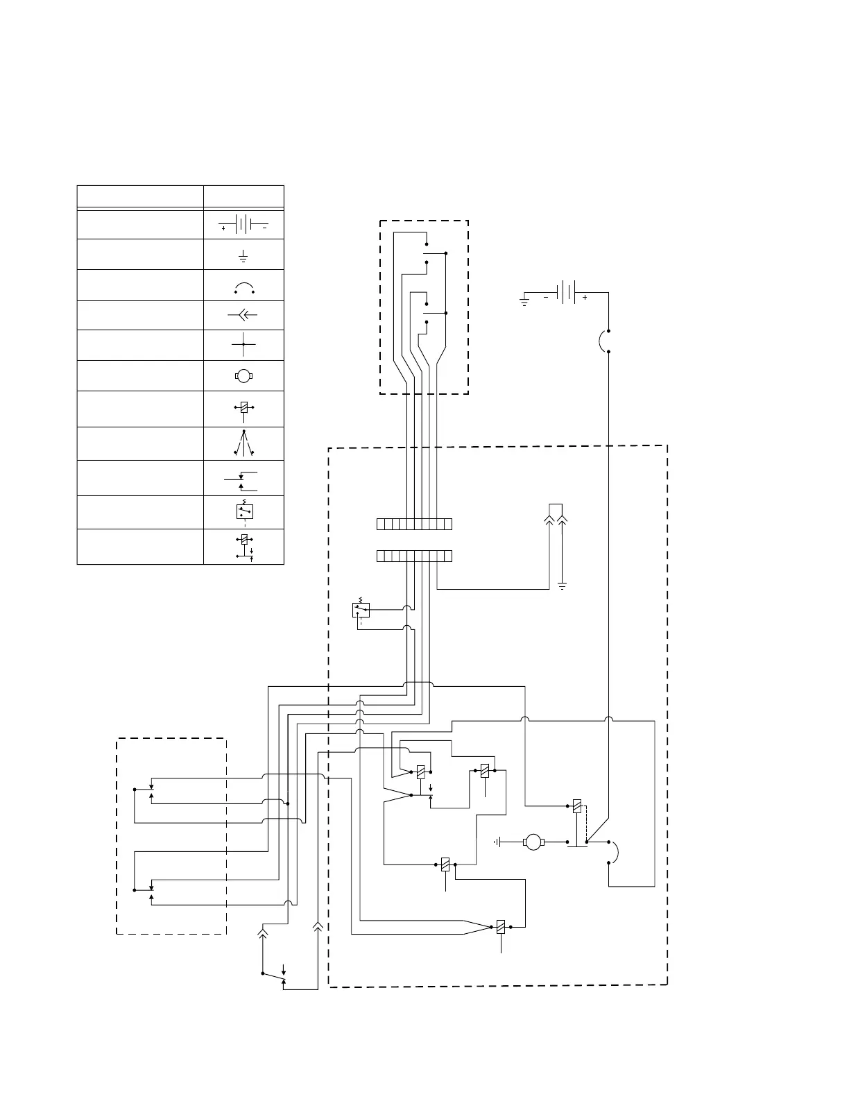
Lift Electrical Schematic
Note: Shown with lift in stowed position.
8
7
6
2
1
4
3
5
9
8
7
6
2
1
4
3
5
9
J1
P1
INTERLOCK
PUMP HOUSING
R(6)B(2)
BU
R (16)
R (16)
R (16)
R (16)
BU
GN
BK
BK
YY
BK
BU
BK
W
W
Y
BN
W
GY
BN
BN
GN
GY
R
R (16)
GY
PK
Y
Y (16)
Y (16)
BK (16)
BK (16)
W (16)
W (16)
BN (16)
GN (16)
BK
Y
Y
GN
W/BK (16)
UNFOLD SOLENOID
UP/FOLD
SOLENOID
BRIDGE
SOLENOID
BRIDGE
RELAY
PRESSURE
SWITCH
R(2)
PUMP
R (14)
R
R
100 AMP
CIRCUIT
SENTRY
5 amp
CIRCUIT
BREAKER
R(2) R(2)
R(16)
UNFOLD
FOLD
UP
DN
SWITCH BOX
W (16)
BK (16)
BN (16)
Y (16)
GN (16)
GN (16)
LIFT
HYDRAULIC
(UP)
M
GROUND
BAT.
AUX.
12 V.
BATTERY
GY
BK (16)
BK (16)
R
R
DOWN
SOLENOID
M
BATTERY
CHASSIS GROUND
CIRCUIT BREAKER
CONNECTORS
JUNCTION
MOTOR
MICROSWITCH
PRESSURE SWITCH
RELAY
SWITCH
SOLENOID
SYMBOLDESCRIPTION
SOLENOID
NC
NO
C
NOTE: ALL WIRES 20 GA. UNLESS
OTHERWISE NOTED.
85
86
30
87
87A
R
R
R
PK
85
86
30
87
87A
BU
BU
BK
BK
W
BU (16)
BN
GY
BK (16)
BU (16)
BN
BK
BU
MICROSWITCH
STATION
UP / FOLD
MICROSWITCH
NC
NO
C
BRIDGE
MICROSWITCH
NC
BU
W (16)
NO
C
GY
W
Y
UNFOLD / DOWN
MICROSWITCH
NC
NO
C
Y
Y
Note: Applicable
for 16 guage
wiring harness
control boxes.
See page 52
for 18 guage
harness control
box schematic.

Table of Contents

Related product manuals