EasyManua.ls Logo

Braun L919 - Lift Wiring Diagram

Braun L919
95 pages
Print Icon
To Next Page IconTo Next Page
To Next Page IconTo Next Page
To Previous Page IconTo Previous Page
To Previous Page IconTo Previous Page
Loading...
Page 51
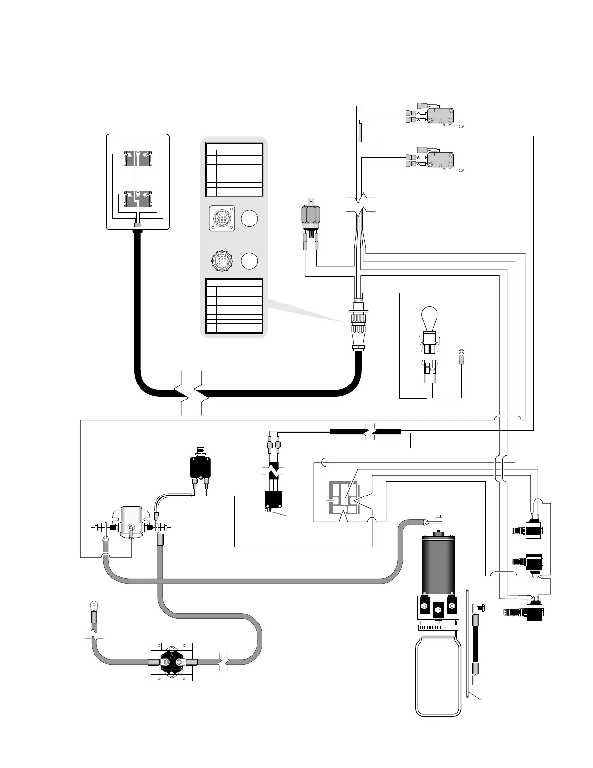
Lift Wiring Diagram
Note: Shown with lift in stowed position.
Lift
Power Cable
Connects to
Vehicle Battery
(+) Positive Post
#13362A
Lead Wire
100 Amp
Circuit Sentry
BK
Y
GN
PIN #1
W/BK
GN
GN
BK
BK
BU
BK
BK
BK
W
GY
GY
Bridge
Down
Unfold
BK
BU
W
R
R
R
R
R
R
R
R
R
Y
Y
GY
PK
PK
PK
Y
Y
R
R
R
R
Pump Ground
R
Interlock
Jumper
Ground
Fold/Unfold
Switch
Bat. Aux.
S
Unfold / Down
Microswitch
Pump Mounted
Platform Sensor
Pressure Switch
C-H
COM
NO
NC
N.O.
N.C.
COM.
S
Up / Fold
Microswitch
C-H
COM
NO
NC
N.O.
N.C.
COM.
PIN #2
BU
BU BU
GY
GY
Y
Y
GY
GY
GY
GN
BK
W
BN
Up/Down
Switch
BU
W
W
Y
GY
GY
Y
Y
BU
W
BU
GY
BU
BK
BN
Note: Shown with lift in stowed position.
R
Up/Fold
Solenoid
NOT USED
GREEN - 6 COND.
WHITE - 6 COND.
BROWN - 6 COND.
YELLOW - 6 COND.
BLACK - 6 COND.
NOT USED
NOT USED
NOT USED
6
5
4
3
2
1
COLORNO.
9-COND WIRE CODE
7
8
9
NOT USED
GREEN
WHITE
BROWN
YELLOW
BLACK
NOT USED
NOT USED
NOT USED
6
5
4
3
2
1
COLORNO.
9-COND WIRE CODE
7
8
9
Red Cable
Circuit
Breaker
(5 Amp)
Bridge
Microswitch
Pump
Mounting
Plate
Switch Box
(As Viewed From Terminal
Side of Switch)
123
456
789
321
654
987
N.O.
N.C.
COM.
(Side view of solenoids
removed from pump.)
Bridge
Relay
COM
NO
NC
Hydraulic
Pump
Bridge
Down
Unfold
Bat.
Note: Applicable
for 16 guage wiring
harness control
boxes. See page
52 for 18 guage
harness control
box wiring diagram.

Table of Contents

Related product manuals