EasyManua.ls Logo

Braun L919 - Front Pump Module Diagram

Braun L919
95 pages
Print Icon
To Next Page IconTo Next Page
To Next Page IconTo Next Page
To Previous Page IconTo Previous Page
To Previous Page IconTo Previous Page
Loading...
Page 61
4
29
34
37
34
21
2
3
2
5
31
30
1
32
38
39
24
28
32
35
35
36
19
17
6
12
8
9
10
11
7C
7B
7A
22
23
25
20
26
27
33
DO
W
N
UP
UNFOLD
(OUT)
F
O
L
D
(IN
)
13
14
15
16
16
18
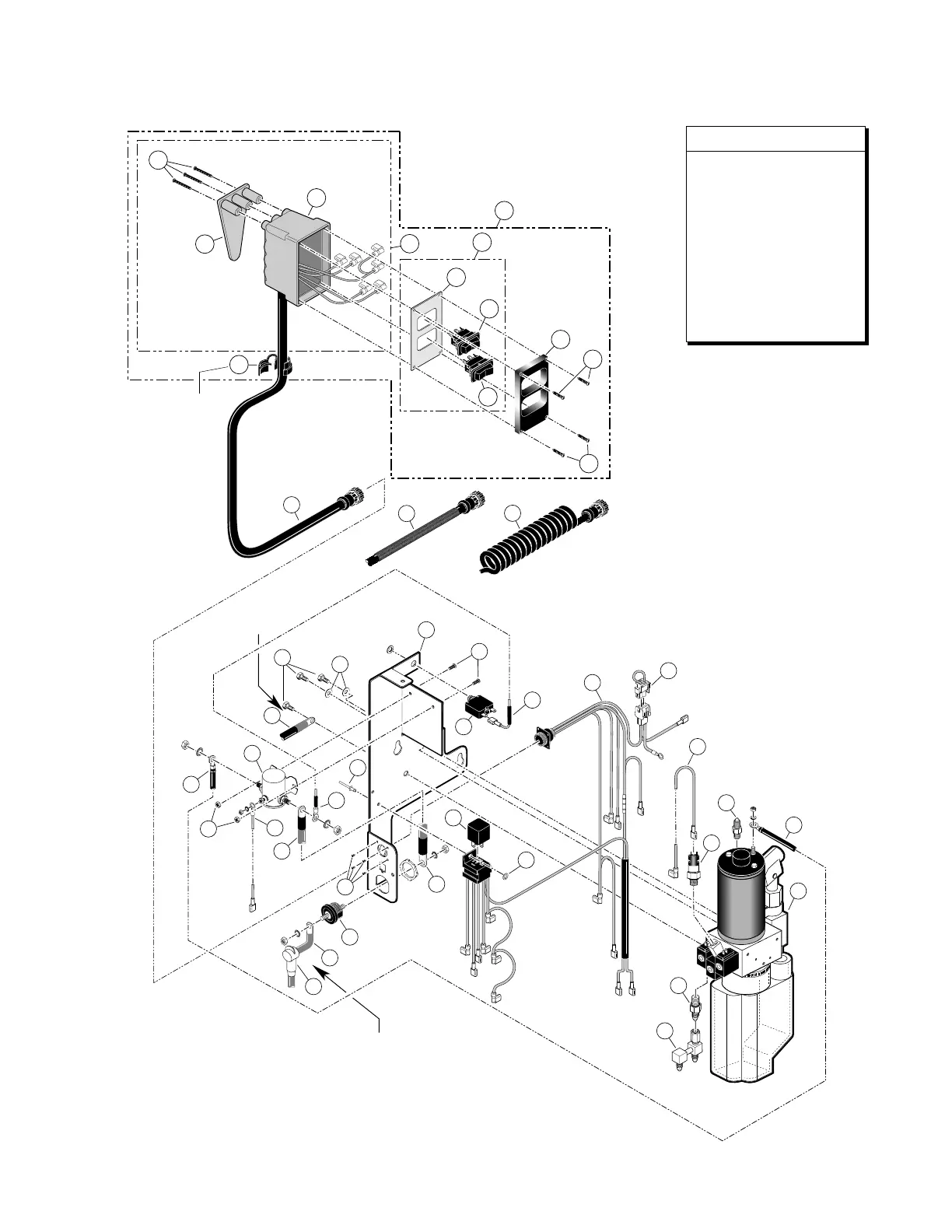
Front Pump Module Diagram
Apply red #271 Thread
Locker Loctite
®
to the
three pump mounting
bolts (item 28) if a blue
nylon patch is not present
on the bolts when
retrofitting an M268 pump
assembly. Loctite
®
is
available from The Braun
Corporation under part
number 11522.
Pump Mounting Bolts
Power Cable
from Battery
External Chassis
Ground Cable
Not applicable for
Control Box 6D
and Harness 7D.

Table of Contents

Related product manuals