EasyManua.ls Logo

Brother EF4-B571 - Page 3

Brother EF4-B571
25 pages
Print Icon
To Next Page IconTo Next Page
To Next Page IconTo Next Page
To Previous Page IconTo Previous Page
To Previous Page IconTo Previous Page
Loading...
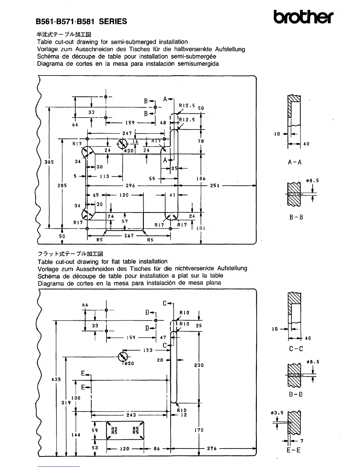
8561·8571·8581 SERIES
=f!)t~-T-
7'Jv1Jni(g]
Table cut-out drawing for semi-submerged installation
Vorlage
zum Ausschneiden des Tisches
fOr
die halbversenkte Aufstellung
Schema
de decoupe de table pour installation semi-submergee
Diagrama de cortes
en
Ia
mesa para instalaci6n semisumergida
-f-
B3-
A
.....
6
6--3-r-3-
-1:--
1
59
~
4.8
1
78
5
186
7 7
·:;
t--~7-7'Jv1Jni(g]
Table cut-out drawing for flat table installation
Vorlage zum Ausschneiden des Tisches
fOr
die nichtversenkte Aufstellung
Schema de decoupe de table pour installation a plat sur
Ia
table
Diagrama de cortes
en
Ia
mesa para instalaci6n de mesa plana
66
n,
·-
33
~
D_j
- -
159
---=--!
£153
~~0
230
E
t
435
1
Eq
100
I
I
319
j
-
RlO
243
12
170
144
86
276
1 0
40
A-A
B-B
10
40
c-c
D-D
E-E
From the library of: Superior Sewing Machine & Supply LLC

Table of Contents

Related product manuals