EasyManua.ls Logo

Brune HP50 - Electric Diagrams

Brune HP50
32 pages
Print Icon
To Next Page IconTo Next Page
To Next Page IconTo Next Page
To Previous Page IconTo Previous Page
To Previous Page IconTo Previous Page
Loading...
24 [EN]
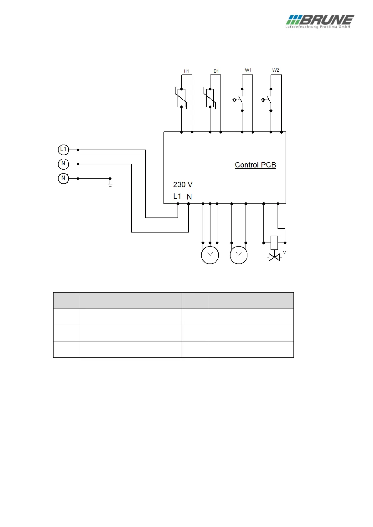
15. ELECTRIC DIAGRAMS
Pos.
Description
Pos.
Description
M
Blower
H1
Sensor for overheating
protection
C
Compressor
D1
Defrosting sensor
V
Valve
W1/W2
Water level sensor