EasyManua.ls Logo

Bryant 333BAV - Troubleshooting

Bryant 333BAV
12 pages
Print Icon
To Next Page IconTo Next Page
To Next Page IconTo Next Page
To Previous Page IconTo Previous Page
To Previous Page IconTo Previous Page
Loading...
The 24-v circuit contains an automotive-type, 3-amp fuse located
on the main control. Any 24-v electrical shorts during installation,
service, or maintenance could cause this fuse to blow. If fuse
replacement is required, use ONLY a 3-amp fuse. The control
LED will display code 24 when the fuse needs replacement.
The control in this furnace is equipped with an LED status light to
aid in installation, servicing, and troubleshooting. It can be viewed
through the sight glass or window on the blower access door. The
control indicates status with the LED on continuously, rapid
flashing, or a code composed of 2 digits. (The first digit is the
number of short flashes, the second is the number of longs flashes.)
Refer to the service label on the blower compartment door for code
explanations and useful troubleshooting suggestions. (See Fig. 10.)
It is important to note that power to the furnace must not be
interrupted and the furnace blower door must not be removed until
the LED status code(es) is recorded. When power to the control is
interrupted, the status memory is erased.
The control will store up to 5 previous codes but will not store
non-current codes longer than 48 hr. To retrieve previous codes, if
present, no thermostat inputs to the control must be present and all
time delays must expire. Remove 1 of the red main limit wires 1
to 4 sec until the LED light goes out, then reconnect it. (See Fig.
4.) (Do not leave red wire disconnected for longer than 4 sec as the
control will assume an overtemperature condition exits and will
respond with indoor blower operation.) This places the control in
the status recall mode and displays the first code stored in memory.
Record the code and repeat the disconnect and reconnect of the red
wire, recording each code until code 11 is displayed indicating no
additional faults. After the last code is displayed or after 2 minutes
in the code recall mode, the control will return to normal standby
mode.
Use any recorded status codes, the service label, and the trouble-
shooting diagram to diagnose and correct any problem condition.
WIRING DIAGRAMS
Refer to Fig. 7, 8, and 9 333BAV and 333JAV Series C or D
wiring diagrams.
TROUBLESHOOTING
Refer to service label. (See Fig. 10.) The Troubleshooting Guide
can be a useful tool in isolating furnace operation problems.
Beginning with the word Start, answer each question and follow
the appropriate arrow to the next item.
The Guide will help you identify the problem or failed component.
After replacing any component, verify correct operation sequence.
More information is available in separate Troubleshooting Guide
for 2-stage gas-fired induced-combustion furnaces.
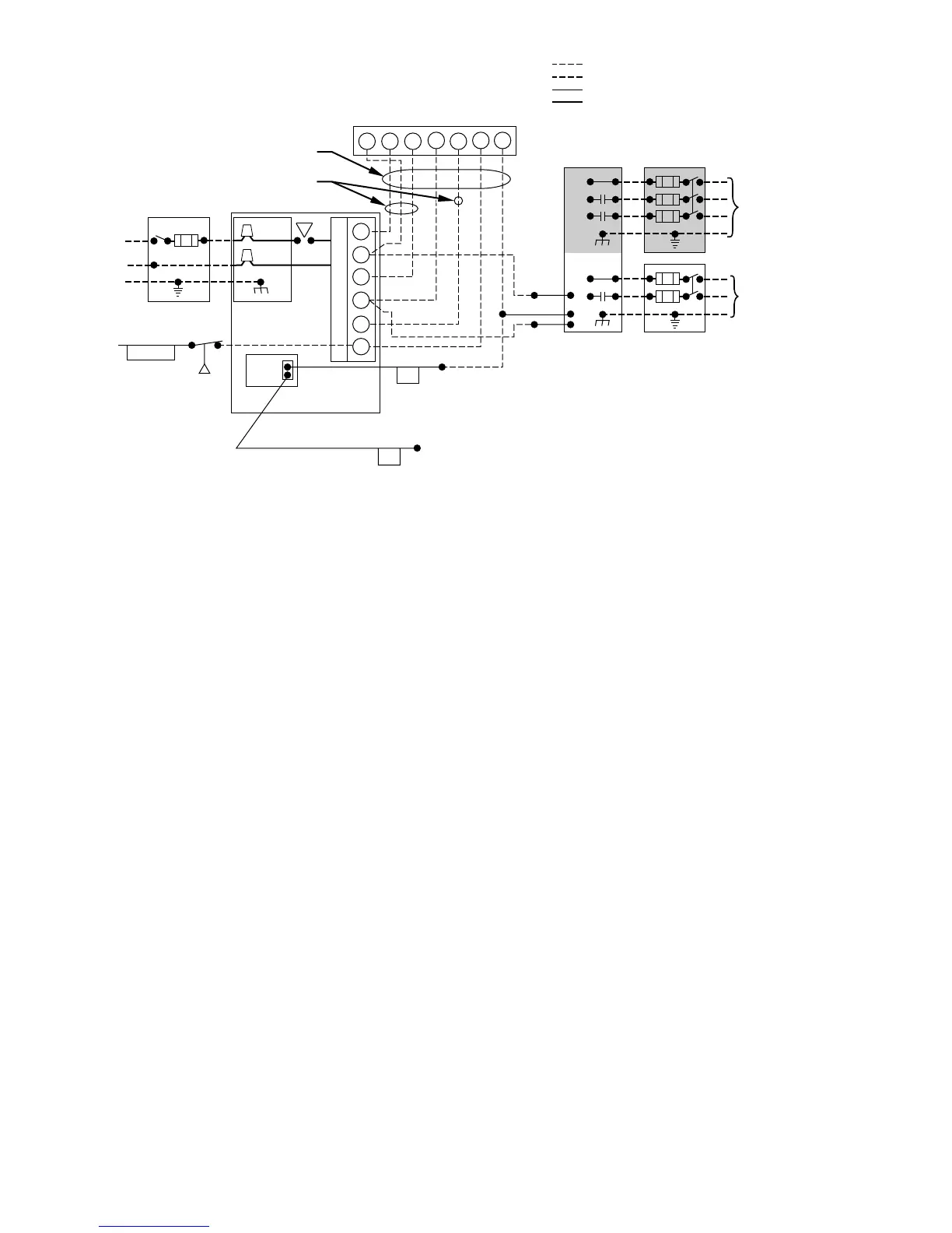
Fig. 8Heating and Cooling Application Wiring Diagram
for 2-Stage Thermostats and/or 2-Speed Condensing Units
A99232
115-V FIELD-
SUPPLIED
DISCONNECT
JUNCTION
BOX
CONTROL
24-V
TERMINAL
BLOCK
FOUR-WIRE
HEATING-
ONLY
SEVEN
WIRE
2-STAGE
THERMOSTAT
TERMINALS
FIELD-SUPPLIED
FUSED DISCONNECT
2-SPEED
CONDENSING
UNIT
FURNACE
G
R
W2 Y2 G Y1
GND
GND
FIELD 24-V WIRING
FIELD 115-, 208/230-, 460-V WIRING
FACTORY 24-V WIRING
FACTORY 115-V WIRING
208/230- OR
460-V
THREE
PHASE
208/230-V
SINGLE
PHASE
Y2
Y1
C
WHT
BLK
WHT
BLK
W1CR
W2
COM
W/W1
Y/Y2
Y1
AFS
NOTE 2
NOTE 1
Connect Y1 and Y/Y2 as shown for proper operation.
Some thermostats require a "C" terminal connection as shown.
If any of the original wire, as supplied, must be replaced, use
same type or equivalent wire.
Connect O to thermostat-O only for heat pump applications.
Field-supplied humidistat for dehumidification in cooling (optional).
NOTES: 1.
2.
3.
4.
5.
NOTE 4
O
NOTE 5
GREEN
DEHUM
6

Related product manuals