EasyManua.ls Logo

Bryant 538PR - Refrigeration Cycle Diagram; Refrigerant Lines

Bryant 538PR
64 pages
Print Icon
To Next Page IconTo Next Page
To Next Page IconTo Next Page
To Previous Page IconTo Previous Page
To Previous Page IconTo Previous Page
Loading...
21
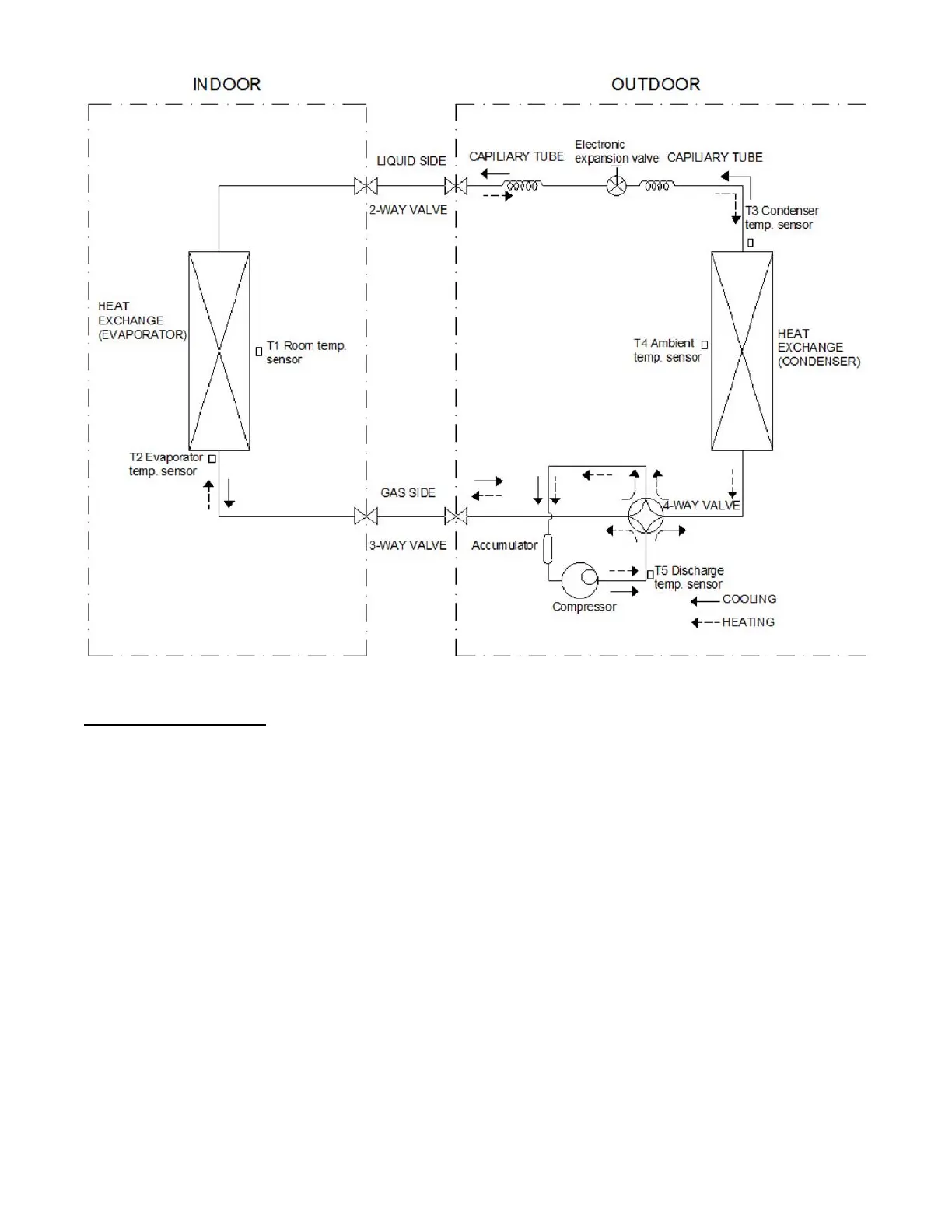
REFRIGERAT I ON CYCLE DIAGRAMS
Fig. 15 Heat Pumps
REFRIGERANT LINES
General refrigerant line sizing:
1 The outdoor units are shipped with a full charge of R410A
refrigerant. All charges, line sizing, and capacities are based
on runs of 25 ft (7.6 m). For runs over 25 ft (7.6 m), consult
long- line section on this page for proper charge
adjustments.
2 Minimum refrigerant line length between the indoor and
outdoor units is 10 ft. (3 m).
3 Refrigerant lines should not be buried in the ground. If it is
necessary to bury the lines, not more than 36 - in (914 mm)
should be buried. Provide a minimum 6- in (152 mm)
vertical rise to the service valves to prevent refrigerant
migration.
4 Both lines must be insulated. Use a minimum of 1/2- in.
(12.7 mm) thick insulation. Closed- cell insulation is
recommended in all long- line applications.
5 Special consideration should be given to isolating
interconnecting tubing from the building structure. Isolate
the tubing so that vibration or noise is not transmitted into
the structure.

Related product manuals