EasyManua.ls Logo

Bryant 538PR - Wiring Diagrams

Bryant 538PR
64 pages
Print Icon
To Next Page IconTo Next Page
To Next Page IconTo Next Page
To Previous Page IconTo Previous Page
To Previous Page IconTo Previous Page
Loading...
12
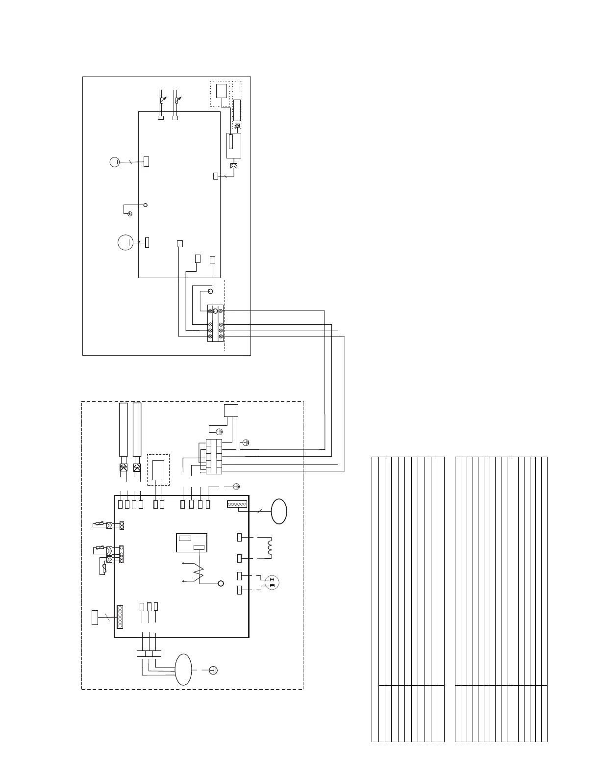
WIRING DIAGRAMS
Indoor Unit
INDOOR WIRING DIAGRAM
6
5220ξ˜ƒ7(03(5$785(ξ˜ƒ6(1625
3,3(ξ˜ƒ7(03(5$785(ξ˜ƒ6(1625
6:,1*ξ˜ƒ02725ξ˜”
M
CN5
YELLOW
RED
ξ˜˜ξ˜‹ξ˜”ξ˜“ξ˜Œ
,1ξ˜ƒ)$1
M
5
CN4
N
CN
1
1
CN16
&1
ξ˜›
&1

L-IN
CN2
P_1
BLUE(BLACK)
INDOOR UNIT
OUTDOOR UNIT
JX1
Y/G
L
N
S
',63/$<ξ˜ƒ%2$5'
&1
ξ˜”ξ˜“$
8(7)
ξ˜‹ξ˜ƒξ˜ƒξ˜”ξ˜“ξ˜Œ&1
Wire Contoller
ξ˜•
OPTIONAL
Wi-Fi
Contoller
OPTIONAL
&1ξ˜–ξ˜‹ξ˜ƒξ˜ƒξ˜–ξ˜“ξ˜”ξ˜Œ&1
U
V
W
ξ˜—ξ˜:$<
287'225
)$1
BLUE
U
V
W
4
CN28
CN26
CN10(CN19)
N-B
CN15
CN16
L2
N-A
287'225
0$,1
3&%
&2035(6625
Y/G
D
ER
EUL
B
BLACK
+($7ξ˜ƒ(;&+$1*(5ξ˜ƒ6(1625
$0%,(17ξ˜ƒ6(1625
:+,7(
%/$&.
287'225ξ˜ƒ:,5,
1*
ξ˜ƒ',$*5$0
',6&+$5*(ξ˜ƒ6(1625
5
CN33
CN34
CN6
CN7
CN5
CN4
LN S
BROWN
BLUE
YELLOW
Y/G
Y/G
/ 1
6
/
1
5('
%/8(
L
N
BLACK
BLACK
)
73
N
C(A
-L
)
6
3N
C
(
B
-
L
&$3$&,725
RED
RED
5($&725
RY3
GND
CN8
CN9
RED
BLACK
CS
Y/G
Power Input
HEATER, CRANKCASE
Dashed frame
parts only for heat
pump model.
CN31
CN32
RED
BLACK
HEATER, CRANKCASE
EXPANSIVE VALVE
6(5)
CN1
Fig. 10 – Wiring Diagram Sizes 09- 12 (115V)
INDOOR UNIT CONTROL BOARD
INPUT or OUTPUT VALUE
L_IN Power Voltage :AC 115V
CN11 Power Voltage :AC115V
CN16 Rela ti ve to the N te rminal voltag e :DC 24V
CN15 Maximum voltage:DC5V
CN4 Indoor fan interface,Maximum voltage:DC310V
CN5 Stepper motor interface,Maximum voltage between the lines:DC12V
P_1 Ground
CN8 Room temperature sensor interface,maximum v oltage:DC5V
CN9 Pipe temperature s ensor interface,maximum voltage:DC5V
CN10A Display interface,maximum voltage between the lines:DC5V
OUTDOOR UNIT CONTROL BOARD
CODE PART NAME
CN1 Output:Pin5&6(12V) Pin1-Pin4:Pulse waveform,(0-12V)
CN15 Input:Pin1-Pin2(0-1.8V)
CN16 Input: Pin1,Pin3 ,Pin4,Pin5(0-1.8V)
CN19 Output:Pin1-Pin5(0-115V High voltage)
CN31,CN33 Output:115VAC High voltage
CN32,CN34 Output:115 VAC High v oltage
CN26,CN28 Output:115 VAC for 4-way control
CN4 Input:115 VAC High voltage
CN5 Input:115 VAC High voltage
CN6 Connection to the earth
CN7 Output: Connection of the high voltage
CN8,CN9 Output: High v oltage
CN36,CN37 Output: High voltage
N-B Output: High voltage
UV W Output: Pulse(0-320VDC)

Related product manuals