EasyManua.ls Logo

Bryant 538PR - Page 13

Bryant 538PR
64 pages
Print Icon
To Next Page IconTo Next Page
To Next Page IconTo Next Page
To Previous Page IconTo Previous Page
To Previous Page IconTo Previous Page
Loading...
13
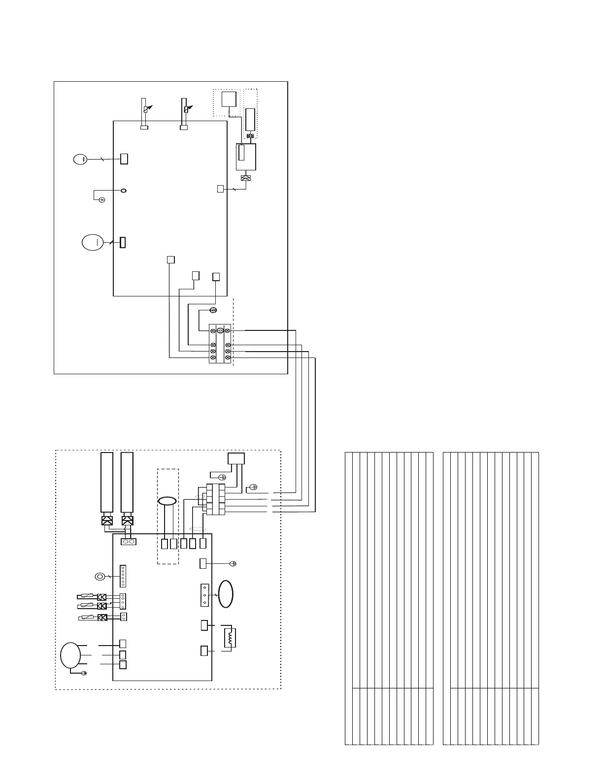
INDOOR WIRING DIAGRAM
6
52207(03(5$785(6(1625
3,3( 7(03(5$785( 6(1625
6:,1*02725
M
CN5
YELLOW
RED

,1)$1
M
5
CN4
N
CN
1
1
CN16
&1
&1
L-IN
CN2
P_1
BLUE(BLACK)
INDOOR UNIT
OUTDOOR UNIT
JX1
Y/G
L1
L2
S
',63/$<%2$5'
&1
$
8(7)
&1
Wire Contoller
OPTIONAL
Wi-Fi
Contoller
OPTIONAL
&1&1
%/8(
CN2
NWORB
CN16
CN1
CN26
OPTIONAL:
:$<
DC-FAN
CN29
REACTOR
CN9-1
CN32-1
AMBIENT SENSOR
CN7
DISCHARGE SENSOR
CN27
YELLOW
:$<
WHITE
COMPRESSOR
BLUE
RED
BLACK
CN28
CN30
WHITE
Y/G
CN3
CN33
(/(&7521,&
(;3$16,9(
9$/9(

CN31
&21'(16(5
7(03(5$785(6(1625
CN21
CN22
HEATER, CRANKCASE
HEATER, CRANKCASE
Y/G
RED
BLUE
L2
GND
Y/G
Power Input
S
L2
L1
L2
L1
L1
L2
L1
S
Fig. 11 Wiring Diagram Sizes 09- 12 (208 - 230V)
INDOOR UNIT CONTROL BOARD
INPUT or OUTPUT VALUE
L_IN Power Voltage AC 230V
CN11 Power Voltage AC230V
CN16 Rela ti ve to the N te rminal voltag e DC 24V
CN15 Maximum voltageDC5V
CN4 Indoor fan interface,Maximum voltageDC310V
CN5 Stepper motor interface,Maximum voltage between the linesDC12V
P_1 Ground
CN8 Room temperature sensor interface,maximum v oltageDC5V
CN9 Pipe temperature s ensor interface,maximum voltageDC5V
CN10A Display interface,maximum voltage between the linesDC5V
OUTDOOR UNIT CONTROL BOARD
INPUT or OUTPUT VALUE
CN31 Output:Pin5&6(12V) Pin1-Pin4:Pulse waveform,(0-12V)
CN21 Input:Pin3-4 (3.3V) Pin2(0V),Pin1,Pin5(0-3.3V)
CN22 Input:Pin1 (3.3V) Pin2(0-3.3V)
CN37 Output: 230VAC High voltage
CN9-1,CN32-1 Output: Connection of the high voltage
CN1 Input:230VAC High voltage
CN2 Input:230 VAC High voltage
CN3 Connection to the earth
CN16 Output: Connection of the high voltage
CN26,CN27 Output: High voltage for 4-way control
CN7 Output: Pulse(0-320VDC) for DC FAN
UVW Output: Pulse(0-320VDC) for COMPRESSOR

Related product manuals