EasyManua.ls Logo

Bryant 538PR - Page 14

Bryant 538PR
64 pages
Print Icon
To Next Page IconTo Next Page
To Next Page IconTo Next Page
To Previous Page IconTo Previous Page
To Previous Page IconTo Previous Page
Loading...
14
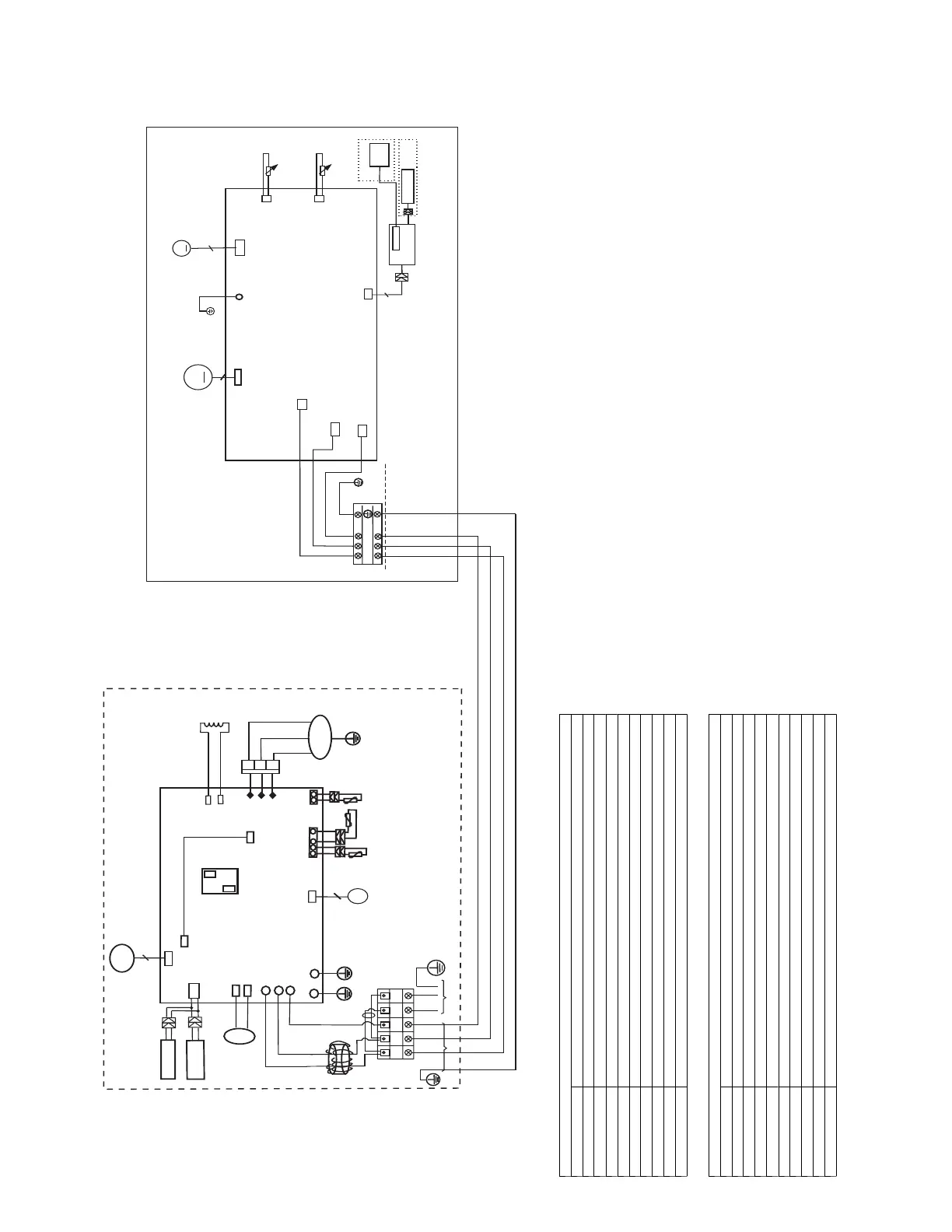
INDOOR WIRING DIAGRAM
6
52207(03(5$785(6(1625
3,3( 7(03(5$785( 6(1625
6:,1*02725
M
CN5
YELLOW
RED

,1)$1
M
5
CN4
N
C
N
1
1
CN16
&1
&1
L-IN
CN2
P_1
BLUE(BLACK)
INDOOR UNIT
OUTDOOR UNIT
JX1
Y/G
L1
L2
S
',63/$<%2$5'
&1
$
8(7)
&1
Wire Contoller
OPTIONAL
Wi-Fi
Contoller
OPTIONAL
&1&1
1
2
3
OUT DOOR
FAN
RED
YELLOW
BLACK
Y/G
U
V
W
RY1
CN6
CN2
CN7
CN8
CN3
CN4
CN10
CN1
COMPRESSOR
Y/G
DER
EULB
KCALB
&21'(16(5
7(03(5$785(6(1625
OUTDOOR AMBIENT
TEMPERATURE SENSOR
WHITE
BLACK
',6&+$5*(6(1625
6
OUTDOOR
MAIN
PCB
E
U
L
B
KC
A
L
B
DER
CN13
CN12
L-OUT
C
I
N
O
R
T
C
E
L
E
P
X
EE
V
I
S
N
A
E
VL
A
V
CN18
4
-
WAY
CN414
527&
$
(
5
BLUE
BLUE
U
V
W
Y/G
CN6-1
Y/G
DER
/
/
6
/
/
72,1'22581,7
32:(56833/<
E
U
L
B
/
/
3
CN14
CN15
1&
7
$(
+
HEATER 1
2R
ET
A
E
H
Fig. 12 Wiring Diagram Size 18 (208- 230V)
INDOOR UNIT CONTROL BOARD
INPUT or OUTPUT VALUE
L_IN Power Voltage AC 230V
CN11 Power Voltage AC230V
CN16 Rela ti ve to the N te rminal voltag e DC 24V
CN15 Maximum voltageDC5V
CN4 Indoor fan interface,Maximum voltageDC310V
CN5 Stepper motor interface,Maximum voltage between the linesDC12V
P_1 Ground
CN8 Room temperature sensor interface,maximum v oltageDC5V
CN9 Pipe temperature s ensor interface,maximum voltageDC5V
CN10A Display interface,maximum voltage between the linesDC5V
OUTDOOR UNIT CONTROL BOARD
INPUT or OUTPUT VALUE
CN7 CN8 Input: 230V High voltage
CN2 Output: Connection of the high voltage
CN3 CN4 Output: High voltage for 4-way control
CN11 CN16 Output: 230V High voltage for HEATER
CN5 Output: Pulse(0-320V) for DC FAN
CN12 CN13 Output: Connection of the high voltage
UVW Output: Pulse(0-320V) for compressor
CN10 Input:Pin1 (5V) Pin2(0-5V)
CN1 Input:Pin3-4 (5V) Pin2(0V),Pin1,Pin5(0-5V)
CN18 Output:Pin5&6(12V) Pin1-Pin4:Pulse waveform,(0-12V)

Related product manuals