EasyManua.ls Logo

Bryant 915SB - Page 20

Bryant 915SB
78 pages
Print Icon
To Next Page IconTo Next Page
To Next Page IconTo Next Page
To Previous Page IconTo Previous Page
To Previous Page IconTo Previous Page
Loading...
20
ANY COMBINATION OF 1, 2, OR 3 PERMITTED.
A11036
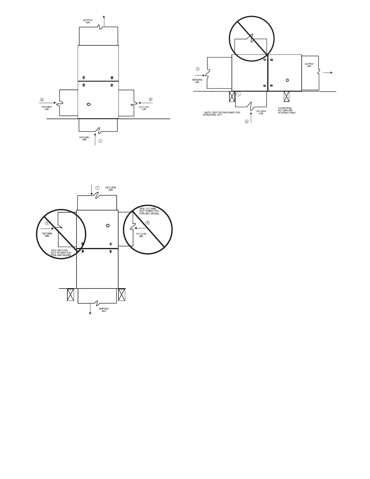
Fig. 22 -- Upflow Return Air Configurations and Restrictions
A11037
Fig. 23 -- Downflow Return Air Configurations
and Restrictions
HORIZONTAL TOP
RETURN NOT
PERMITTED FOR
ANY MODEL
A11038
Fig. 24 -- Horizontal Return Air Configurations and
Restrictions
Supply Air Connections
For a furnace not equipped with a cooling coil, the outlet duct shall
be provided with a removable access panel. This opening shall be
accessible when the furnace is installed and shall be of such a size
that the heat exchanger can be viewed for possible openings using
light assistance or a probe can be inserted for sampling the air
stream. The cover attachment shall prevent leaks.
Connect supply --air duct to flanges on furnace supply --air outlet.
Bend flange upward to 90_ with wide duct pliers. See Fig. 19. The
supply --air duct must be connected to ONLY the furnace
supply --outlet--air duct flanges or air conditioning coil casing
(when used). DO NOT cut main furnace casing side to attach
supply air duct, humidifier, or other accessories. All supply--side
accessories MUST be connected to duct external to furnace main
casing.
Return Air Connections
The return--air duct may be connected to bottom of the furnace.
The side of casing that faces downward may also be used for return
air connection. A combination of the bottom and downward
facing side may also be used. The upward facing side of the casing
cannot be used as a return air connection. See Fig. 24.

Table of Contents

Related product manuals