EasyManua.ls Logo

BSS Audio FDS 360 - Page 39

BSS Audio FDS 360
54 pages
Print Icon
To Next Page IconTo Next Page
To Next Page IconTo Next Page
To Previous Page IconTo Previous Page
To Previous Page IconTo Previous Page
Loading...
39
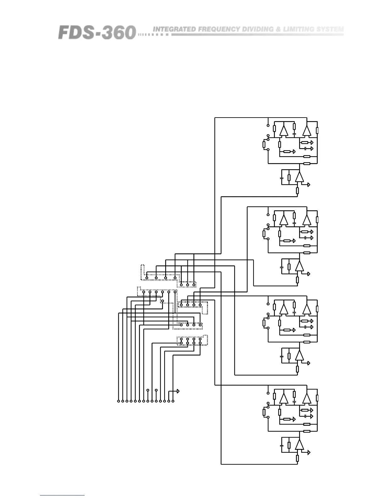
Fig 20.12 FDS360 EQ 'D'
card Schematic
+
7
5
6
2
3
1
+
+
R39
SOA
R37
47K
R40
4K7
R43
2K2
R42
10K
R41
SOA
R44
SOA
C12
SOA
C11
SOA
IC7
353
IC7
353
CUT
BOOST
B1
C1
B2
B3
SW
C2
1
2
3
4
FILTERINPUT
SOURCE
R4
10K
R11
10K
CUT
C3
SOA
+
+
R3
10K
C2
SOA
R8
SOA
R5
47K
R6
47K
R7
SOA
R9
4K7
R12
2K2R10
SOA
R13
SOA
C4
SOA
IC1
353
353
IC2
353
2
1
3
76
5
1
2
3
BOOST
IC3
353
+
5
3
2
C10
SOA
IC4
353
IC4
353
C7
SOA
R31
SOA
R29
10K
R27
4K7
R26
SOA
C9
SOA
+
CUT
BOOST
2
3
1
1
67
+
R33
10K
R35
10K
R36
47K
R38
SOA
IC6
353
C8
SOA
R28
SOA
R30
2K2
R25
SOA
R24
47K
IC1
C6
SOA
R16
SOA
R15
47K
R14
47K
67
7
5
6
5
7
6
IC6
353
R23
47K
R34
10K
R32
10K
+
IC3
353
353C5
SOA
R22
SOA
R19
SOA
R20
10K
R21
2K2
R18
4K7
R17
SOA
C1
SOA
R1
10K
R2
10K
+
1
3
2
BOOST
CUT
B4
2
3
4
1
2
3
4
B1
B2
B3
B4
B1
B2
B4
B3
FILTER
OUTPUT
OUTPUT
PLG1
14WDILHEADER
1
7
14
BAND4SEND
SWITCHEDSEND
BAND3SEND
BAND2SEND
CHAN.1SEND
BAND1SEND
CHAN.2SEND
+15V
BAND1RTN
-15V
BAND2RTN
BAND3RTN
0VEARTH
BAND4RTN
+15V
-15V
IC2
+
5
+

Table of Contents

Related product manuals