EasyManua.ls Logo

Bunn CDS-2 - Page 55

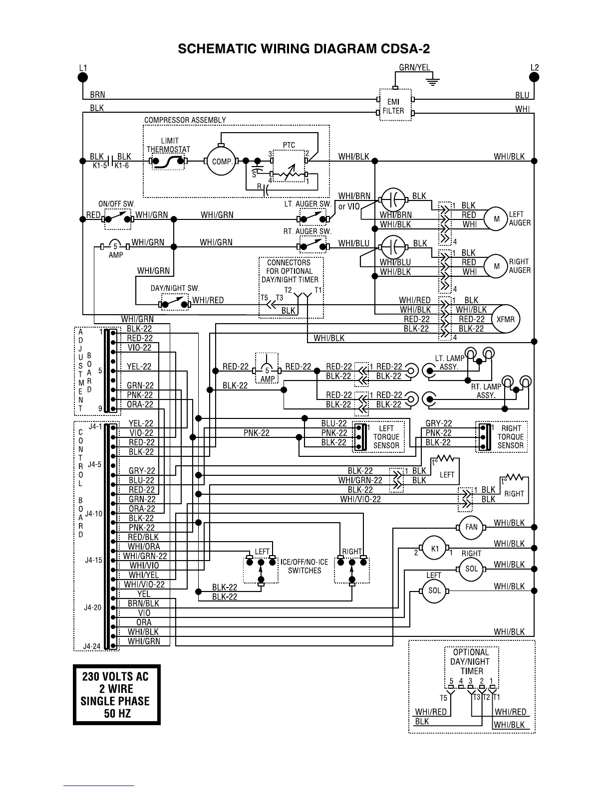
Bunn CDS-2
60 pages
Print Icon
To Next Page IconTo Next Page
To Next Page IconTo Next Page
To Previous Page IconTo Previous Page
To Previous Page IconTo Previous Page
Loading...
55
27646 022500

Related product manuals