EasyManua.ls Logo

Bunn SINGLE - Single Brewer with Digital Brewer Control - Schematic Wiring Diagram

Bunn SINGLE
46 pages
Print Icon
To Next Page IconTo Next Page
To Next Page IconTo Next Page
To Previous Page IconTo Previous Page
To Previous Page IconTo Previous Page
Loading...
Page 45
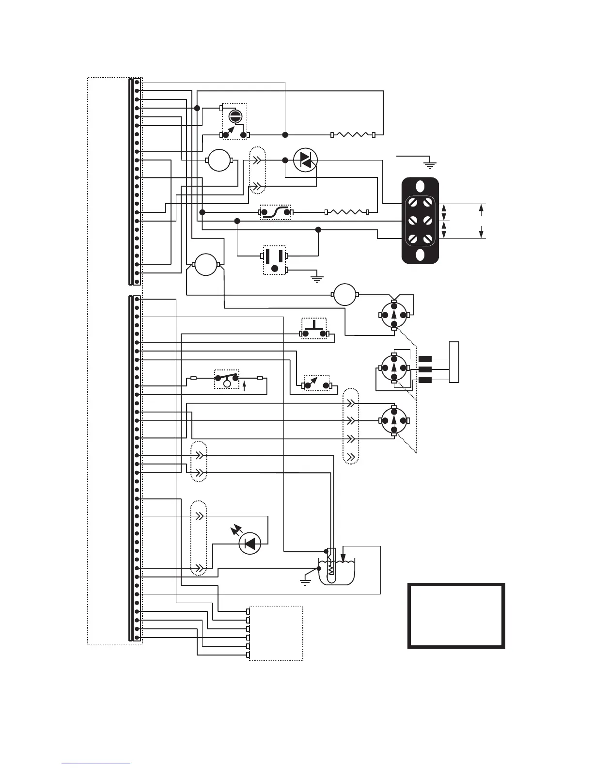
BLK
WHI/VIO
WHI/RED
WHI/RED
WHI
WHI
WHI
BLK
TAN
BLU
WHI/BLU
BLK
GRN
BLK
YEL
BLK
RED
BLK
PNK
TAN
GRY
WHI
WHI
BLU
RED
PNK
GRY
PNK
RED
WHI
PNK
RED
P2
P1
GRN
RED RED
10851.0000E 9/00 © 1994 BUNN-O-MATIC CORPORATION
120/208 OR
120/240 VOLTS AC
3 WIRE
SINGLE PHASE
BREW
LOWER WARMER
WHI/RED WHI/RED
WHI
ON/OFF SW
WHI
BLK
TAN
BLU
BLK
BLU
GRY
PNK
P2
P1
START SW
OPTIONAL
DAY/NIGHT
SWITCH
P2
P1
WHI
WHI
CONTROL
& DISPLAY
CONNECTOR
INTERFACE
2
4
3
1
5
6
RED
BLK
RED
WHI
PNK
RED
TANK HEATER
BLK
AUXILIARY OUTLET
(200 WATT MAXIMUM)
GRN
WHI
BLK
WHI
BLK
WHI
OPTIONAL
BYPASS
P1
P3
TAN
GRY
PNK
GRINDER
INTERFACE
CONNECTOR
GRY
TAN
PNK
4
1
2
3
P4
P2
WHI/RED
WHI/VIO
WHI
OVERFLOW PROTECTION SWITCH
D
I
G
I
T
A
L
B
R
E
W
E
R
C
O
N
T
R
O
L
C
I
R
C
U
I
T
B
O
A
R
D
SOL
REFILL
TRIAC
208 0R 240V.A.C.
120V.A.C.
120V.A.C.
SOL
SOL
LIMIT
THERMOSTAT
S
W
I
T
C
H
S
E
L
E
C
T
B
A
T
C
H
SINGLE BREWER W/DIGITAL BREWER CONTROL
SCHEMATIC WIRING DIAGRAM
TEMP
SENSOR
WHI/VIO
J1-1
5
10
15
20
J1-24
J3-1
5
10
15
20
25
30
35
J3-40
DRY PLUG
DETECTION
PNK
N.C.
LIQUID LEVEL SENSOR
White Strip-Tac Plus
Black Ink
Finished Size: 5" x 7"
≈68% Reduction
27038 030901

Other manuals for Bunn SINGLE

Related product manuals