EasyManua.ls Logo

Bunn SINGLE - Single Brewer with Digital Brewer Control - Schematic Wiring Diagram (cont.)

Bunn SINGLE
46 pages
Print Icon
To Previous Page IconTo Previous Page
To Previous Page IconTo Previous Page
Loading...
Page 46
WHI/VIO
BLK
GRN
BLK
YEL
BLK
RED
BLK
PNK
TAN
GRY
WHI
BLU
RED
PNK
GRY
PNK
RED
BRN
PNK
RED
P2
P1
GRN
10853.0000B 5/98 © 1994 BUNN-O-MATIC CORPORATION
200 – 240 VOLTS AC
2 WIRE
SINGLE PHASE
LOWER WARMER
WHI/RED WHI/RED
RED
ON/OFF
SW
RED
BLK
TAN
BLU
BLK
BLU
P2
P1
RED
BLK
RED
BRN
PNK
RED
BLK
RED
RED
RED
RED
BLK
TAN
BLU
WHI/BLU
200 – 240 V.A.C.
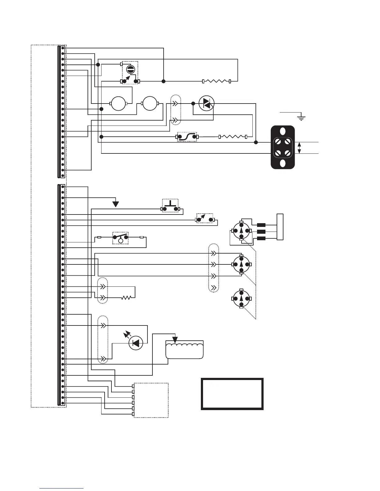
SINGLE BREWER W/DIGITAL BREWER CONTROL
SCHEMATIC WIRING DIAGRAM
J1-1
J1-24
J3-1
J3-40
D
I
G
I
T
A
L
B
R
E
W
E
R
C
O
N
T
R
O
L
C
I
R
C
U
I
T
B
O
A
R
D
WHI/RED
WHI/RED
WHI
SOL
REFILL
TRIAC
BLK
TANK HEATER
LIMIT
THERMOSTAT
BREW
SOL
P1
P3
TAN
GRY
PNK
GRINDER
INTERFACE
CONNECTOR
GRY
TAN
PNK
4
1
2
3
P4
P2
S
W
I
T
C
H
S
E
L
E
C
T
B
A
T
C
H
TANK LEVEL
SENSING
WHI/VIO
START SW
OPTIONAL
DAY/NIGHT
SWITCH
RED RED
OVERFLOW PROTECTION SWITCH
t°
WHI
WHI
TANK
TEMP
SENSOR
GRY
PNK
P2
P1
CONTROL
& DISPLAY
CONNECTOR
INTERFACE
2
4
3
1
5
6
PROBE, DRY PLUG
PREVENTION
White Strip-Tac Plus
Black Ink
Finished Size: 5" x 6.5"
≈64% Reduction
27038 091900

Other manuals for Bunn SINGLE

Related product manuals