EasyManua.ls Logo

Burnham Apex APX399 - Page 52

Burnham Apex APX399
132 pages
Print Icon
To Next Page IconTo Next Page
To Next Page IconTo Next Page
To Previous Page IconTo Previous Page
To Previous Page IconTo Previous Page
Loading...
52
D. Special Situation Piping Installation Requirements
Observe the following guidelines when making the
actual installation of the boiler piping for special
situations:
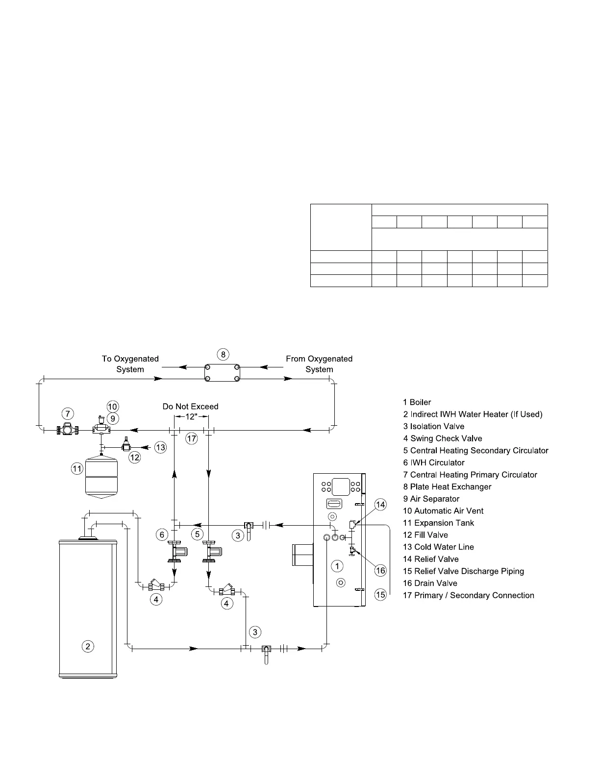
1. Systems containing high level of dissolved oxygen
– Many hydronic systems contain enough dissolved
oxygen to cause severe corrosion damage to Apex
(APX) boiler heat exchanger. Some examples
include but not limited to:
Radiant systems employing tubing without
oxygen barrier
Systems with routine additions of fresh water
Systems open to atmosphere
If the boiler is used in such a system, it must be
separated from oxygenated water being heated
with a heat exchanger as shown in Figures 38A and
38B. Consult the heat exchanger manufacturer for
proper heat exchanger sizing as well as ow and
temperature requirements. All components on the
oxygenated side of the heat exchanger, such as the
pump and expansion tank, must be designed for use
in oxygenated water.
Table 17: Multiple Boiler Water Manifold Sizing
Boiler Model
Number of Units
2 3 4 5 6 7 8
Recommended Minimum Common
Water Manifold Size (NPT)
APX399 2½” 3” 3” 4” 5” 5” 5”
APX500 3” 4” 4” 5” 5” 6” 6”
APX800 3” 5” 5 6” 6” 8” 8”
VI. Water Piping and Trim D. Special Situation Piping Installation Requirements (continued)
2. Piping with a Chiller - If the boiler is used in
conjunction with a chiller, pipe the boiler and chiller
in parallel. Use isolation valves to prevent chilled
water from entering the boiler.
3. Boiler Piping with Air Handlers - Where the
boiler is connected to air handlers through which
refrigerated air passes, use ow control valves in the
boiler piping or other automatic means to prevent
gravity circulation during the cooling cycle.
Figure 38A: Isolation of the Boiler From Oxygenated Water with A Plate Heat Exchanger
(IWH Piped as Part of Boiler Piping)

Related product manuals