EasyManua.ls Logo

Büttner Elektronik MT iQ Basic - 4 Gesamtschaltbild

Büttner Elektronik MT iQ Basic
Print Icon
To Next Page IconTo Next Page
To Next Page IconTo Next Page
To Previous Page IconTo Previous Page
To Previous Page IconTo Previous Page
Loading...
Bü ner Elektronik – MT iQ Basic 14
DE
DE
14 Mobile Technology MT iQ Basic
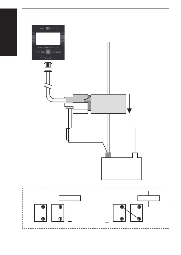
4 Gesamtschaltbild
Zu den Verbrauchern
und Ladeeinrichtungen
rot
blau
Hall-Geber
Sicherung
800mA flink
+
Bordbatterie
+
-
Batterie-Verbände:
12V
+
-
+
-
Hallgeber
24V
+
-
+
-
Hallgeber

Related product manuals