EasyManua.ls Logo

Büttner Elektronik MT iQ Basic - Overall Circuit Diagram

Büttner Elektronik MT iQ Basic
Print Icon
To Next Page IconTo Next Page
To Next Page IconTo Next Page
To Previous Page IconTo Previous Page
To Previous Page IconTo Previous Page
Loading...
30
EN
Bü ner Elektronik – MT iQ Basic
EN
30 Mobile Technology MT iQ Basic
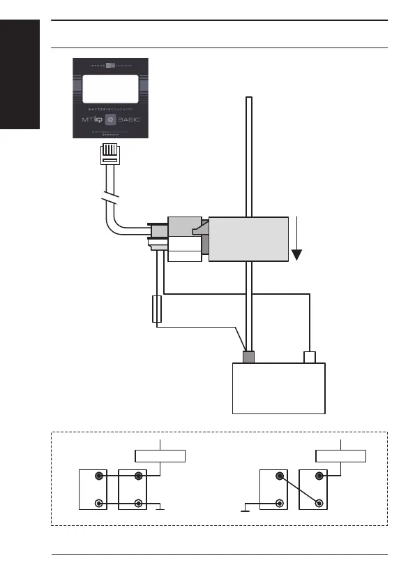
4 Overall Circuit Diagram
To consumers and
charging devices
red
blue
Hall sensor
Fuse
800mA
quick-action
+
Board-battery
+
-
More than one battery:
12V
+
-
+
-
Hall sensor
24V
+
-
+
-
Hall sensor

Related product manuals