EasyManua.ls Logo

Cambridge Audio 640A - Page 38

Cambridge Audio 640A
41 pages
Print Icon
To Next Page IconTo Next Page
To Next Page IconTo Next Page
To Previous Page IconTo Previous Page
To Previous Page IconTo Previous Page
Loading...
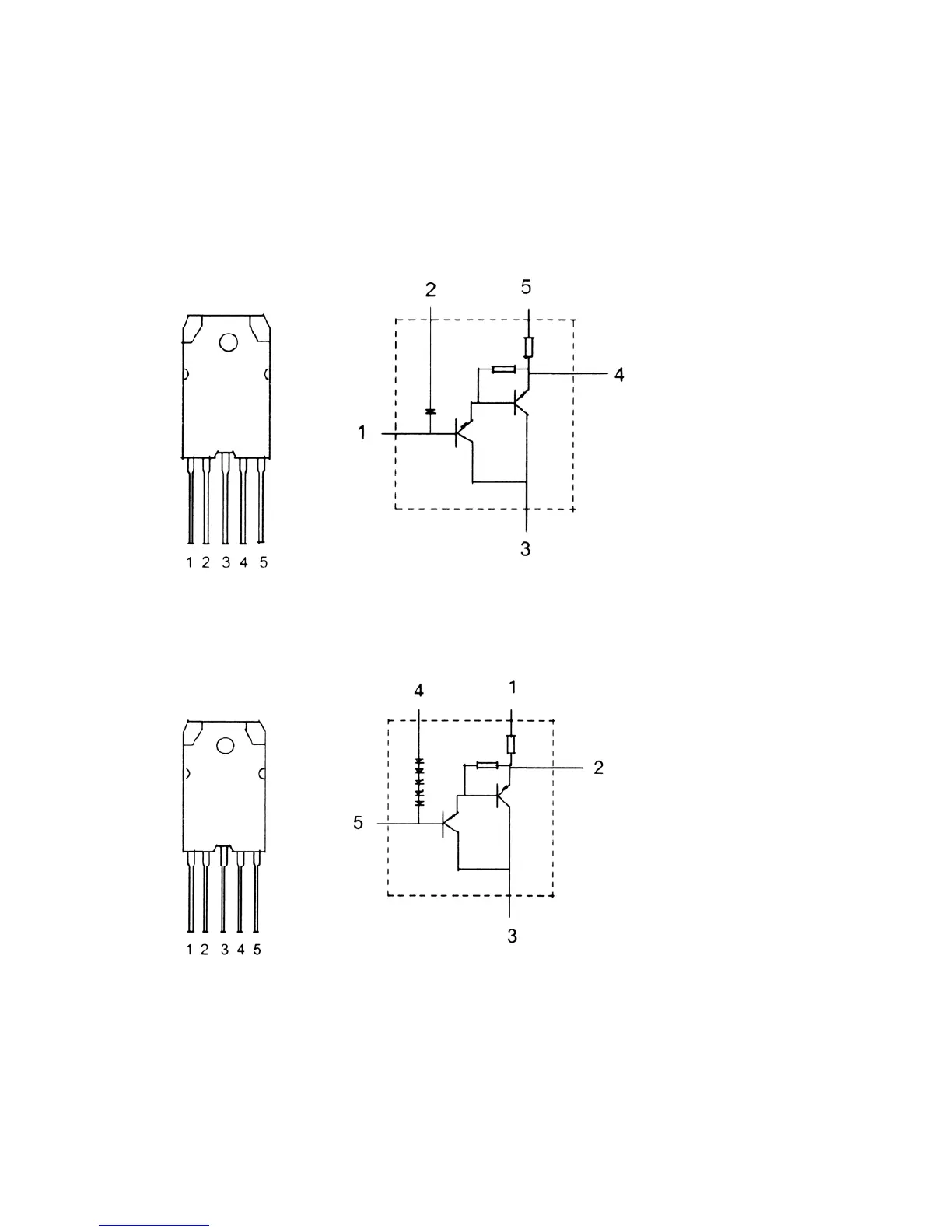
SAP15NO (U3 & U5)
SAP15PO (U2 & U4)
38

Related product manuals