EasyManua.ls Logo

Cambridge Audio 640C - Servo PCB IC Pin Layout

Cambridge Audio 640C
34 pages
Print Icon
To Next Page IconTo Next Page
To Next Page IconTo Next Page
To Previous Page IconTo Previous Page
To Previous Page IconTo Previous Page
Loading...
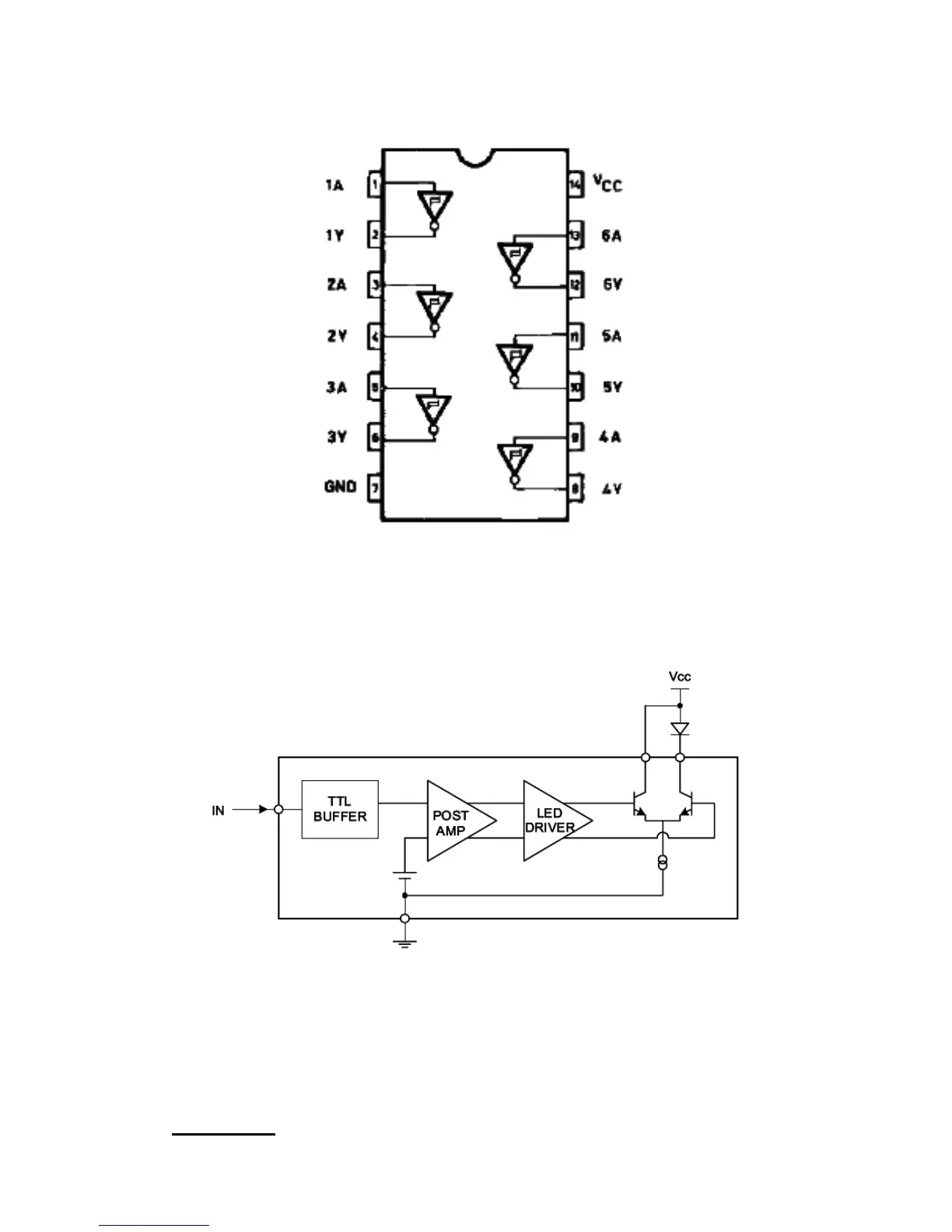
74HC14 (U2 & U10)
APTX179A (U11)
SERVO PCB

Related product manuals