EasyManua.ls Logo

Camp Chef PRO 60 DB60D - DB60 Parts List

Camp Chef PRO 60 DB60D
2 pages
Print Icon
To Previous Page IconTo Previous Page
To Previous Page IconTo Previous Page
Loading...
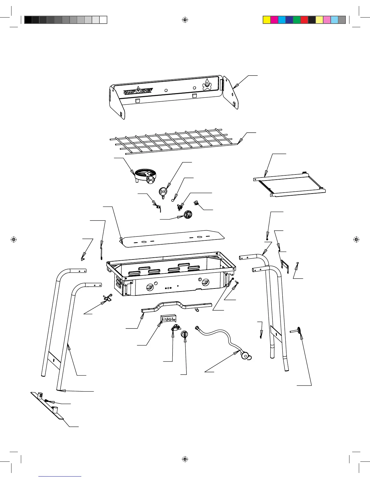
DB60 PARTS LIST
0910DB60parts
WINDSCREEN (1)
3-WS60-P
GRILL (1)
1080
SHELF (2)
LS60P
#8 SHELF SCREW (4)
330028
#8 SHELF NUT (4)
330029
BURNER SHORT (2)
0808-AS
AIR VENT (2)
0826L
LP SPRING (2)
0980
VALVE (2)
0997
KNOB (2)
330092
HEAT DEFLECTOR (1)
1047HEAT
NARROW LEG (1)
DB-1
LEG BOLT (1)
0765
3/8 PUSH NUT (1)
0774
WIDE LEG (1)
DB-2
1" LEG PLUG (4)
0971
LEG PIN (2)
DB-3
MANIFOLD (1)
DB-4
1/4 LOCK NUT (4)
1/4 BOLT (4)
LP REGULATOR (1)
HRL
ELECTRODE LEFT (1)
DBIGN1
ELECTRODE RIGHT (1)
DBIGN2
ROTARY COVER (1)
GB-6
ROTARY KNOB (1)
GB-5
2 PRONG IGNITER (1)
DB-5
DB60 STABALIZER (1)
DB-6
1/4 THUMB SCREW (2)
330076
GRATE BRACKET
(1)
1042HDB
GRATE HOOK (1)
YK01
THUMB SCREW (1)
YK02
#8 SCREW (3)
0789-HEX
0613_DB60D_PS.indd 2 6/24/13 3:05 PM

Related product manuals