EasyManua.ls Logo

Carel SmartCella 3PH - 9.2 SmartCella 3 PH Wiring Diagrams; 9.2.1 Power Circuit (3 PH Models)

Carel SmartCella 3PH
56 pages
Print Icon
To Next Page IconTo Next Page
To Next Page IconTo Next Page
To Previous Page IconTo Previous Page
To Previous Page IconTo Previous Page
Loading...
44
ENG
“SmartCella manual” +0300084EN - rel. 1.2 - 28.03.2017
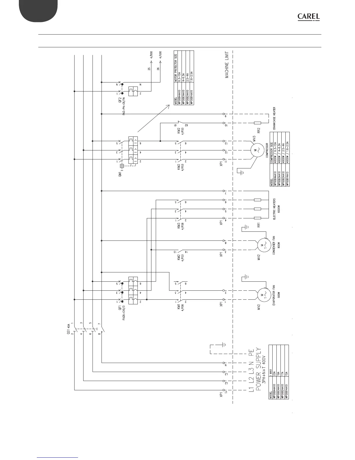
9.2 SmartCella 3PH wiring diagrams
9.2.1 Power circuit (WP00B44A10, WP00B34A10, WP00B24A10, WP00B14A10)
Fig. 9.a

Table of Contents

Other manuals for Carel SmartCella 3PH

Related product manuals