EasyManua.ls Logo

Carrier AquaForce B Series - Page 227

Carrier AquaForce B Series
358 pages
To Next Page IconTo Next Page
To Next Page IconTo Next Page
To Previous Page IconTo Previous Page
To Previous Page IconTo Previous Page
Loading...
227
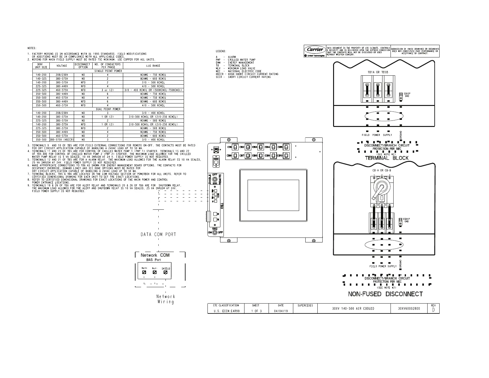
Fig. 90 — 30XV Typical Field Wiring Schematic
POWER
ENTRY
OPTION
30XV
UNIT
SIZE
VOLTAGE
DISCONNECT
OPTION
NO. OF
CONDUCTORS
PER PHASE
LUG RANGE
SINGLE
POINT
POWER
140-200
208/230V NO 4 #2AWG - 750 KCMIL
380-575V NFD 2 2/0 - 500 KCMIL
140-325 380-575V NO 2 #2AWG - 600 KCMIL
225-325
380-440V NFD 4 4/0 - 500 KCMIL
460-575V NFD 3 (or 2) 3/0 - 400 KCMIL or (500 KCMIL - 750 KCMIL)
350-500
380-440V NO 6 #2AWG - 750 KCMIL
460-575V NO 4 #2AWG - 750 KCMIL
380-440V NFD 6 #2AWG - 600 KCMIL
460-575V NFD 4 4/0 - 500 KCMIL
DUAL
POINT
POWER
140-200
208/230V NO 3 3/0 - 400 KCMIL
380-575V NO 1 or (2) 2/0-500 KCMIL or (2/0-250 KCMIL)
380-575V NFD 1 or (2) 2/0-500 KCMIL or (2/0-250 KCMIL)
225-325
380-575V NO 2 #2AWG - 500 KCMIL
380-575V NFD 2 #2AWG - 500 KCMIL
350-500
380V NO 4 #2AWG - 750 KCMIL
460-575V NO 2 #2AWG - 600 KCMIL
380-575V (HSCCR) NO 3 3/0 - 400 KCMIL
CARRIER CONTROLLER DISPLAY

Table of Contents

Related product manuals